Partiron

Yamaha XS400_2F (XS400_2F) 1979 CONTACT BREAKER - GOVERNOR Diagram

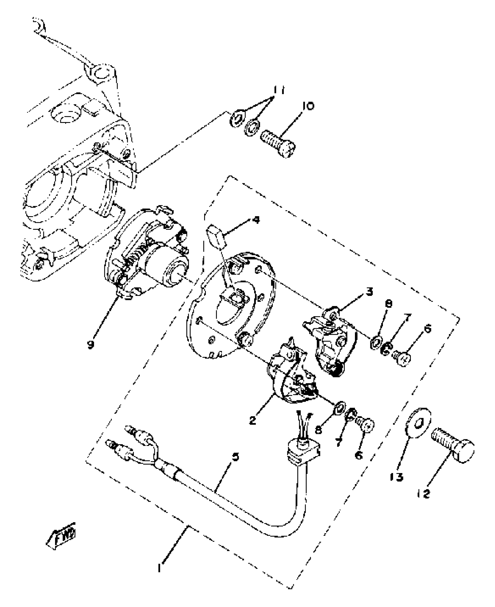
#

Description
Price

1

BREAKER PLATE ASSEMBLY (1L9-81620-50)

1L9-81620-51-00

Unavailable

2

. CONTACT BRKR ASSEMBLY

1L9-81621-51-00

Unavailable

3

CONTACT BREAKER ASSY (R.H)

1L9-81622-51-00

$48.99

4

. LUBRICATOR

1L9-81631-50-00

Unavailable

5

. LEAD WIRE ASSEMBLY

1L9-81634-50-00

Unavailable

6

SCREW

(1L9-81645-50-00)

Unavailable

7

YBS67-4 WASHER, SPRING

92990-04100-00

$0.86

8

YBS66-4 WASHER, PLAIN

92990-04200-00

$1.86

9

GOVERNOR ASSEMBLY

1L9-81653-50-00

Unavailable

10

SCREW, PAN

98507-06014-00

$8.49

11

YBS66-6 WASHER, PLAIN

92990-06200-00

$3.78

12

BOLT, HEXAGON

97017-06020-00

$4.06

13

WASHER, PLATE

90201-06020-00

$9.49