- Partiron
- OEM Parts
- Yamaha
- motorcycle
- 1978
- XS400-2E (XS400) 1978
OIL PUMP - OIL CLEANER
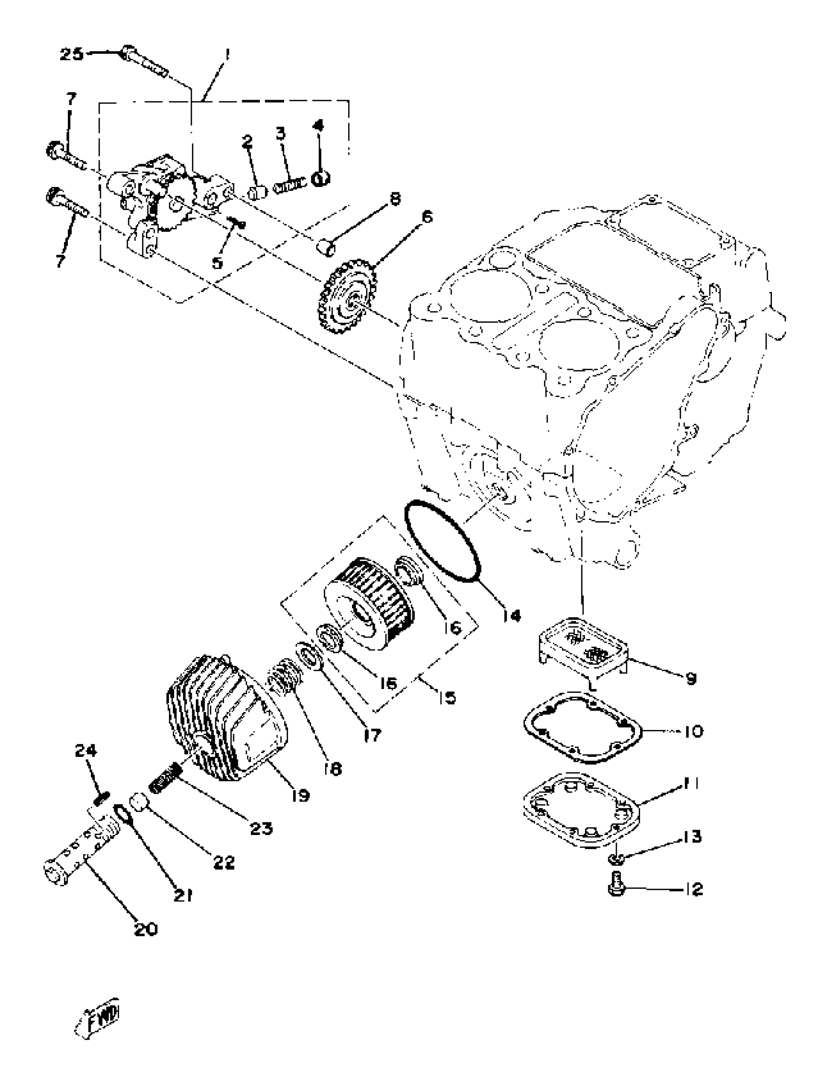
Yamaha XS400-2E (XS400) 1978 OIL PUMP - OIL CLEANER Diagram
#
Description
Price
1
OIL PUMP ASSY
1L9-13300-00-00
Unavailable
2
. PLUNGER, RELIEF
1L9-13483-00-00
Unavailable
3
SPRING, RELIEF
(1L9-13484-00-00)
Unavailable
4
RETAINER, RLIEF VLV
(1L9-13486-00-00)
Unavailable
6
GEAR, OIL PUMP IDLE
1L9-13341-01-00
Unavailable
7
BOLT, SOCKET HEAD
91318-08035-00
Unavailable
9
STRAINER, OIL
1L9-13411-00-00
Unavailable
10
GASKET,STRNR CVR
1L9-13414-10-00
Unavailable
11
COVER, STRAINER
(1L9-13417-00-00)
Unavailable
12
BOLT, HEXAGON
97313-05016-00
Unavailable
14
O-RING(1KF)
93210-87723-00
Unavailable
16
GROMMET (1L9)
90480-23193-00
Unavailable
17
WASHER, PLATE (1L9)
90201-21608-00
Unavailable
18
SPRING, COMPRESSION (1L9)
90501-20422-00
Unavailable
19
COVER, OIL ELEMENT
1L9-13447-01-00
Unavailable
20
BY-PASS VALVE ASSY
1L9-13340-01-00
Unavailable
21
O-RING (26H)
93210-16629-00
Unavailable
22
PISTON, BYPSS VALVE
(1L9-13345-00-00)
Unavailable
23
SPRING, COMPRESSION
90501-10421-00
Unavailable
24
PIN,SPRING
91690-20018-00
Unavailable
25
BOLT, SOCKET
91317-08045-00
Unavailable
