Partiron

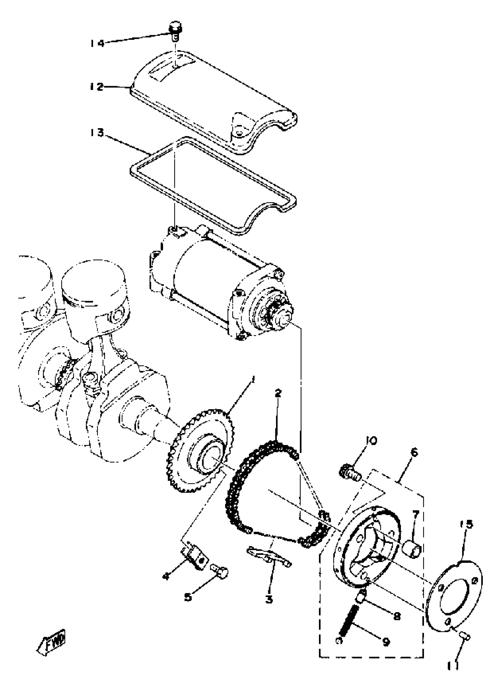
Yamaha XS360C (XS360) 1976 STARTING MOTOR UNIT Diagram

#

Description
Price

1

SPROCKET, STARTER 2

1L9-15519-00-00

Unavailable

2

CHAIN

94552-19058-00

Unavailable

3

GUIDE, STR CHAIN

1L9-15591-00-00

Unavailable

4

GUIDE, STR SPROCKET

1L9-15592-01-00

Unavailable

5

BOLT(8CP)

97017-06014-00

$8.49

6

STR CLUTCH OTR ASY

341-15580-07-00

Unavailable

7

PIN,DOWEL(341)

93615-12088-00

$7.49

8

CAP, STARTER CLUTCH

1J7-15583-01-00

$18.49

9

. SPRING, COMPRESSION (341-15584-02)

90501-03298-00

Unavailable

10

BOLT, SOCKET

91317-08016-00

$8.49

11

PIN, DOWEL

93605-10090-00

$8.49

12

COVER, STRTG MOTOR

1L9-15436-00-00

Unavailable

13

GSKT, STRTG MTR CVR

1L9-15446-00-00

Unavailable

14

BOLT, WASHER BASED HEXAGON 1L9

90105-06069-00

Unavailable

15

PLATE, CLUTCH COVER

1L9-15589-00-00

Unavailable