- Partiron
- OEM Parts
- Yamaha
- motorcycle
- 1976
- XS360C (XS360) 1976
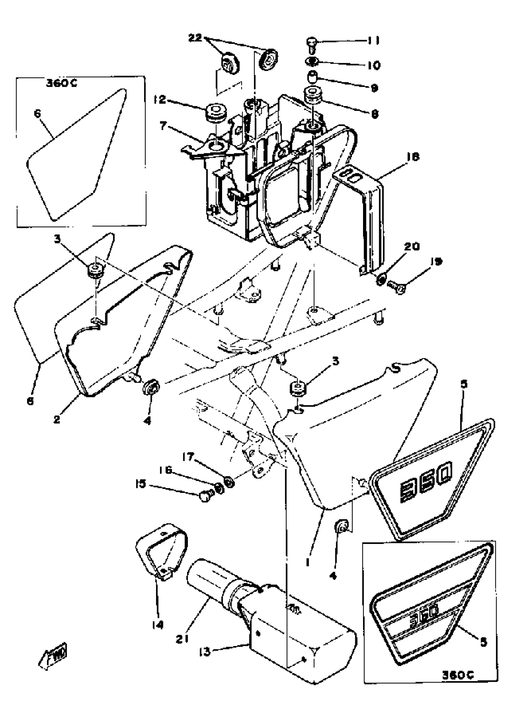
SIDE COVER BATTERY BOX
Yamaha XS360C (XS360) 1976 SIDE COVER BATTERY BOX Diagram
#
Description
Price
1
COVER, SIDE 1
(1L9-21711-00-G3)
Unavailable
1
COVER, SIDE 1
(1L9-21711-00-U4)
Unavailable
2
COVER, SIDE 2
(1L9-21721-00-G3)
Unavailable
2
COVER, SIDE 2
(1L9-21721-00-U4)
Unavailable
5
EMBLEM 4
(1L9-21784-00-00)
Unavailable
5
EMBLEM 4
(1L9-21784-10-00)
Unavailable
6
EMBLEM 6
(1L9-21786-00-00)
Unavailable
6
EMBLEM 6
(1L9-21786-10-00)
Unavailable
7
BOX, BATT.
(1L9-21240-00-33)
Unavailable
12
GROMMET
(90480-22196-00)
Unavailable
13
BOX, TOOL
(1L9-21170-00-00)
Unavailable
14
COVER, SIDE 4
1L9-21741-00-00
Unavailable
15
BOLT, HEXAGON DEEP RECESS
97D95-06016-00
Unavailable
16
WASHER, SPRING
92995-06100-00
Unavailable
17
WASHER, PLAIN (646)
92990-06600-00
Unavailable
18
BAND, TANK FITTING
1L9-21776-01-00
Unavailable
19
SCREW, PAN HEAD(6E0)
97885-06030-00
Unavailable
20
WASHER, PLAIN (646)
92990-06600-00
Unavailable
21
TOOL KIT
1L9-28100-00-00
Unavailable
22
PAD, BATTERY
371-82121-00-00
Unavailable
