- Partiron
- OEM Parts
- Yamaha
- motorcycle
- 1976
- XS360C (XS360) 1976
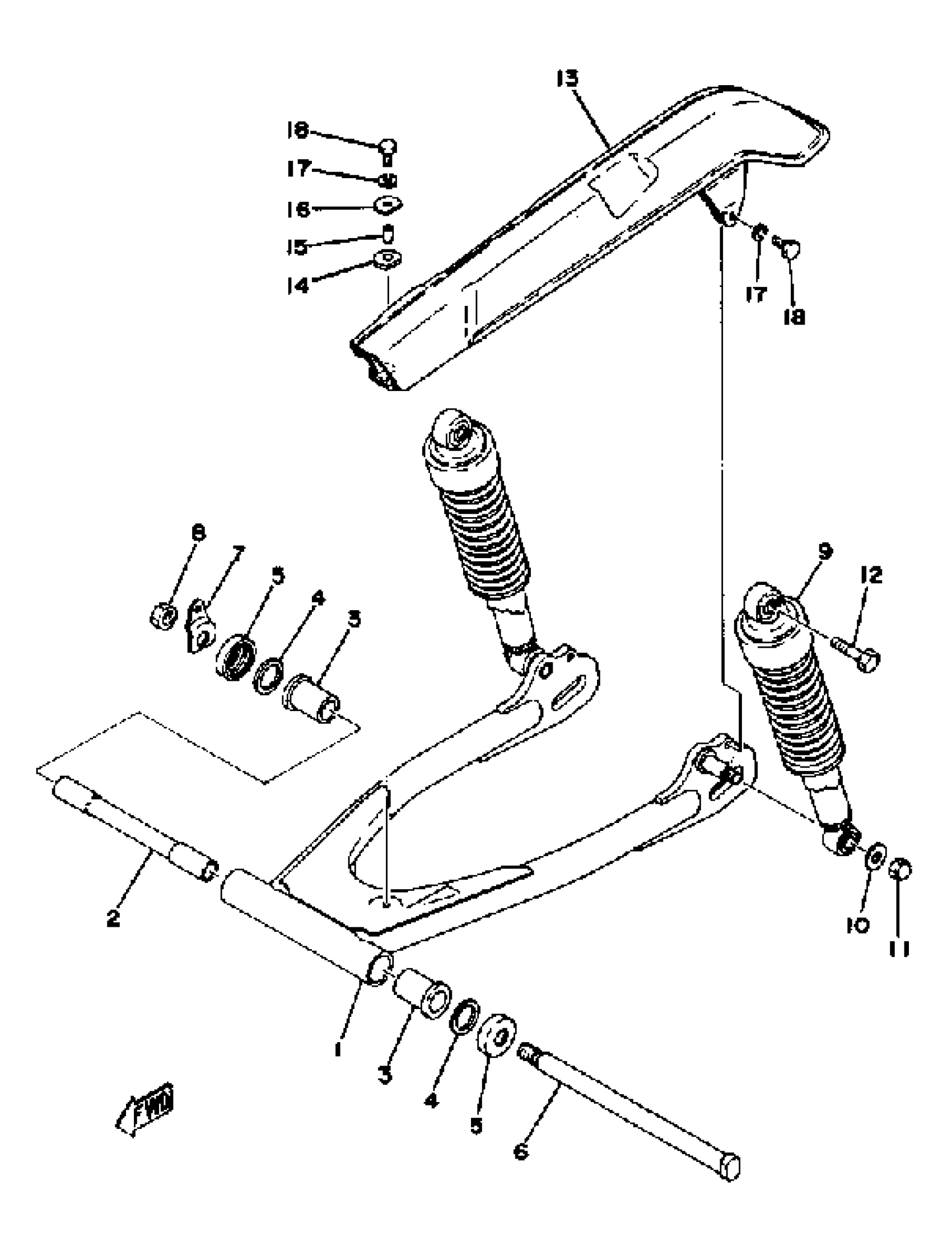
REAR ARM REAR CUSHION CHAIN CASE
Yamaha XS360C (XS360) 1976 REAR ARM REAR CUSHION CHAIN CASE Diagram
#
Description
Price
1
REAR ARM
(1L9-22110-00-33)
Unavailable
2
COLLAR (322-22124-00)
90387-16398-00
Unavailable
6
SHAFT, PIVOT
1L9-22141-00-00
Unavailable
7
WASHER, LOCK
90215-14055-00
Unavailable
9
SHK/ABS ASSEMBLY, REAR
(1L9-22210-00-00)
Unavailable
13
CASE, CHAIN
(1L9-22311-00-33)
Unavailable
14
DAMPER, CHAIN CASE
278-22332-00-00
Unavailable
16
WASHER, SPEC''L SHAP
90209-06034-00
Unavailable
17
WASHER, SPRING
92995-06100-00
Unavailable
18
BOLT, HEXAGON
97017-06020-00
Unavailable
