- Partiron
- OEM Parts
- Yamaha
- motorcycle
- 1976
- XS360C (XS360) 1976
ELECTRICAL 2
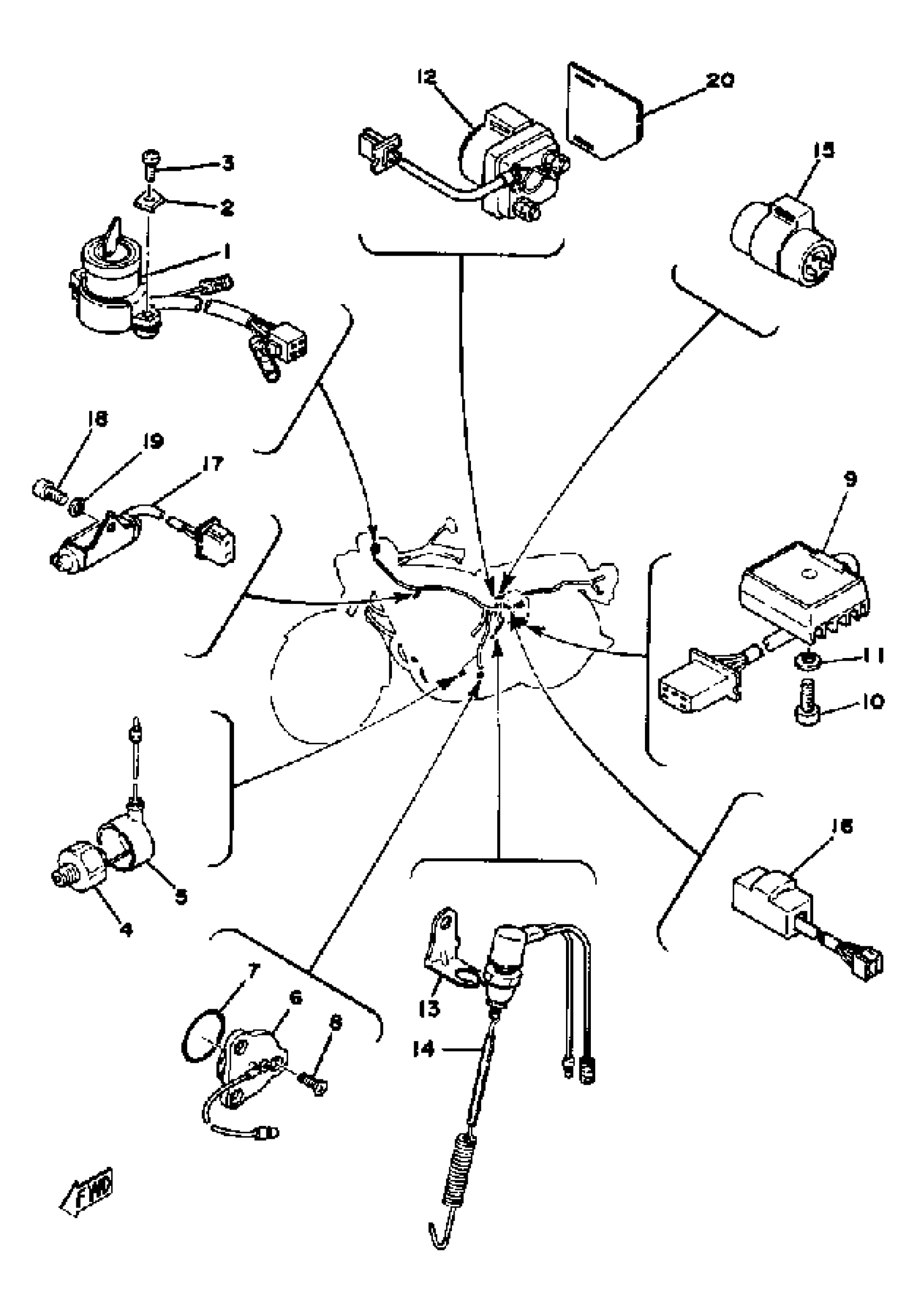
Yamaha XS360C (XS360) 1976 ELECTRICAL 2 Diagram
#
Description
Price
1
MAIN SWITCH ASSEMBLY
1L9-82508-41-00
Unavailable
2
WASHER, SPECIAL
533-82517-00-00
Unavailable
3
SCREW, PAN HEAD
98051-05018-00
Unavailable
4
OIL PRESSURE SWITCH ASSEMBLY
341-82504-02-00
Unavailable
5
WIRE, LEAD
1L9-82507-00-00
Unavailable
9
RECTIFIER ASSEMBLY
1L9-81970-60-00
Unavailable
11
WASHER, SPRING
92995-06100-00
Unavailable
12
STARTER SWITCH ASSEMBLY
1J7-81940-10-00
Unavailable
13
STAY, STOP SWITCH
1L9-82539-01-00
Unavailable
14
STOP SWITCH ASSEMBLY
1L9-82530-02-00
Unavailable
15
FLASHER RELAY ASSY
2NV-83350-00-00
Unavailable
16
FLASHER CANCELING UNIT
1A0-83395-03-00
Unavailable
17
CONDENSER 1
1L9-81625-50-00
Unavailable
18
SCREW PAN HEAD
98580-06010-00
Unavailable
19
WASHER, SPRING
92995-06100-00
Unavailable
20
COVER, TERMINAL
1L9-81916-00-00
Unavailable
