- Partiron
- OEM Parts
- Yamaha
- motorcycle
- 1976
- XS360C (XS360) 1976
ELECTRICAL 1
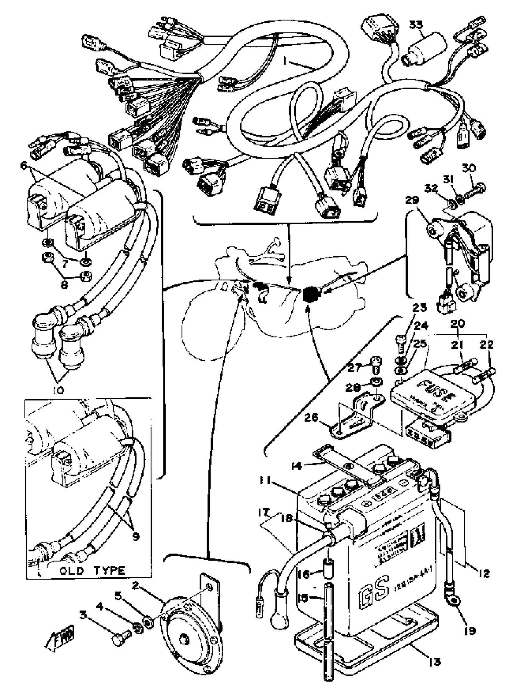
Yamaha XS360C (XS360) 1976 ELECTRICAL 1 Diagram
#
1
WIRE HARNESS ASSEMBLY
1L9-82590-62-00
Unavailable
2
HORN
4L0-83371-30-00
Unavailable
5
.. WASHER, PLATE
92990-08600-00
Unavailable
6
IGNITION COIL ASSEMBLY
1L9-82310-51-00
Unavailable
7
WASHER, SPRING
95301-06100-00
Unavailable
8
NUT, HEXAGON
95380-06600-00
Unavailable
9
CORD, HIGH TENSION
XXX-XXX-XXX
Unavailable
11
BATTERY
36L-82210-79-00
Unavailable
12
LABEL, BATTERY
40A-82141-G0-00
Unavailable
13
SEAT, BATTERY
1L9-82122-00-00
Unavailable
15
HOSE
90445-08331-00
Unavailable
16
COLLAR
90386-07043-00
Unavailable
17
WIRE, PLUS LEAD
1L9-82115-00-00
Unavailable
18
COVER, LEAD WIRE
1L9-82119-00-00
Unavailable
19
WIRE, EARTH LEAD
1L9-82116-01-00
Unavailable
20
FUSE BOX ASSEMBLY
1L9-82170-00-00
Unavailable
21
FUSE
1A0-82161-00-00
Unavailable
22
FUSE
1A0-82151-00-00
Unavailable
23
SCREW, PAN HEAD
98503-050515-00
Unavailable
24
YBS67-5 WASHER, SPRING
92990-05100-00
Unavailable
25
WASHER, PLAIN (646)
92990-05600-00
Unavailable
26
STAY, FUSE BOX
1L9-82171-10-00
Unavailable
27
SCREW, PAN HEAD(6B0)
97885-05016-00
Unavailable
28
YBS67-5 WASHER, SPRING
92990-05100-00
Unavailable
29
VOLTAGE REGULATOR ASSEMBLY
1L9-81910-50-00
Unavailable
30
SCREW, PAN HEAD(6E0)
97885-06030-00
Unavailable
31
WASHER, SPRING
92995-06100-00
Unavailable
32
WASHER, PLATE
90201-06380-00
Unavailable
33
COVER, CONNECTOR
306-82599-00-00
Unavailable
