- Partiron
- OEM Parts
- Yamaha
- motorcycle
- 1976
- XS360C (XS360) 1976
CONTACT BREAKER GOVERNOR
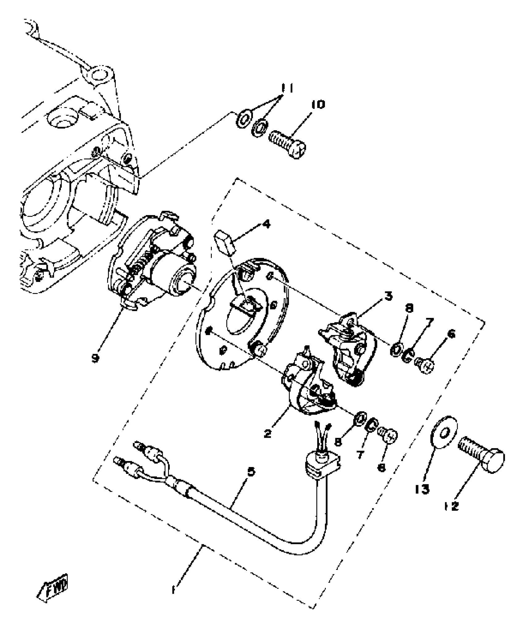
Yamaha XS360C (XS360) 1976 CONTACT BREAKER GOVERNOR Diagram
#
Description
Price
1
BREAKER PLATE ASSEMBLY (1L9-81620-50)
1L9-81620-51-00
Unavailable
2
. CONTACT BRKR ASSEMBLY
1L9-81621-51-00
Unavailable
4
. LUBRICATOR
1L9-81631-50-00
Unavailable
5
. LEAD WIRE ASSEMBLY
1L9-81634-50-00
Unavailable
6
SCREW, PAN HEAD(3XP)
98517-04006-00
Unavailable
9
GOVERNOR ASSEMBLY
1L9-81653-50-00
Unavailable
