- Partiron
- OEM Parts
- Yamaha
- motorcycle
- 1981
- XS1100H (XS1100) 1981
FLASHER LIGHT
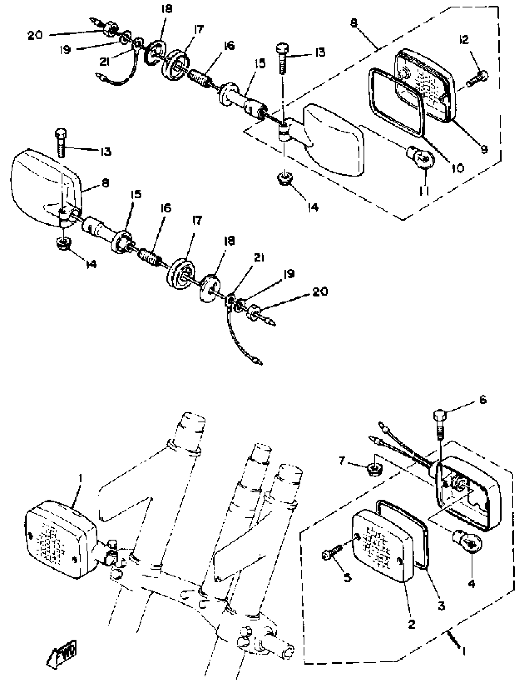
Yamaha XS1100H (XS1100) 1981 FLASHER LIGHT Diagram
#
Description
Price
1
FRT FLSHR LITE ASSEMBLY
2H7-83310-70-00
Unavailable
2
. LENS, FLASHER
2H7-83312-00-00
Unavailable
3
. GASKET, FLSHR LENS
2H7-83313-00-00
Unavailable
5
. SCREW, PAN HEAD
98580-04020-00
Unavailable
8
R FLSHR LITE ASSEMBLY
2H7-83330-70-00
Unavailable
9
. LENS, FLASHER
2H7-83312-00-00
Unavailable
10
. GASKET, FLSHR LENS
2H7-83313-00-00
Unavailable
11
. BULB (12V-32CP)
256-83311-70-XX
Unavailable
12
. SCREW, PAN HEAD
98580-04020-00
Unavailable
15
STAY, FLASHER 1
2H7-83318-00-00
Unavailable
16
BLT, FLSHR STY FTNG
2H7-83325-00-00
Unavailable
17
DAMPER, FLASHER
1E6-83321-00-00
Unavailable
18
WASHER, SPEC''L SHAP
90209-10172-00
Unavailable
19
YBS67-10 WASHER, SPRING
92990-10100-00
Unavailable
20
NUT, HEXAGON
90170-10227-00
Unavailable
21
WIRE, EARTH LEAD 2
3FU-83364-00-00
Unavailable
