- Partiron
- OEM Parts
- Yamaha
- motorcycle
- 1981
- XS1100H (XS1100) 1981
ELECTRICAL 2
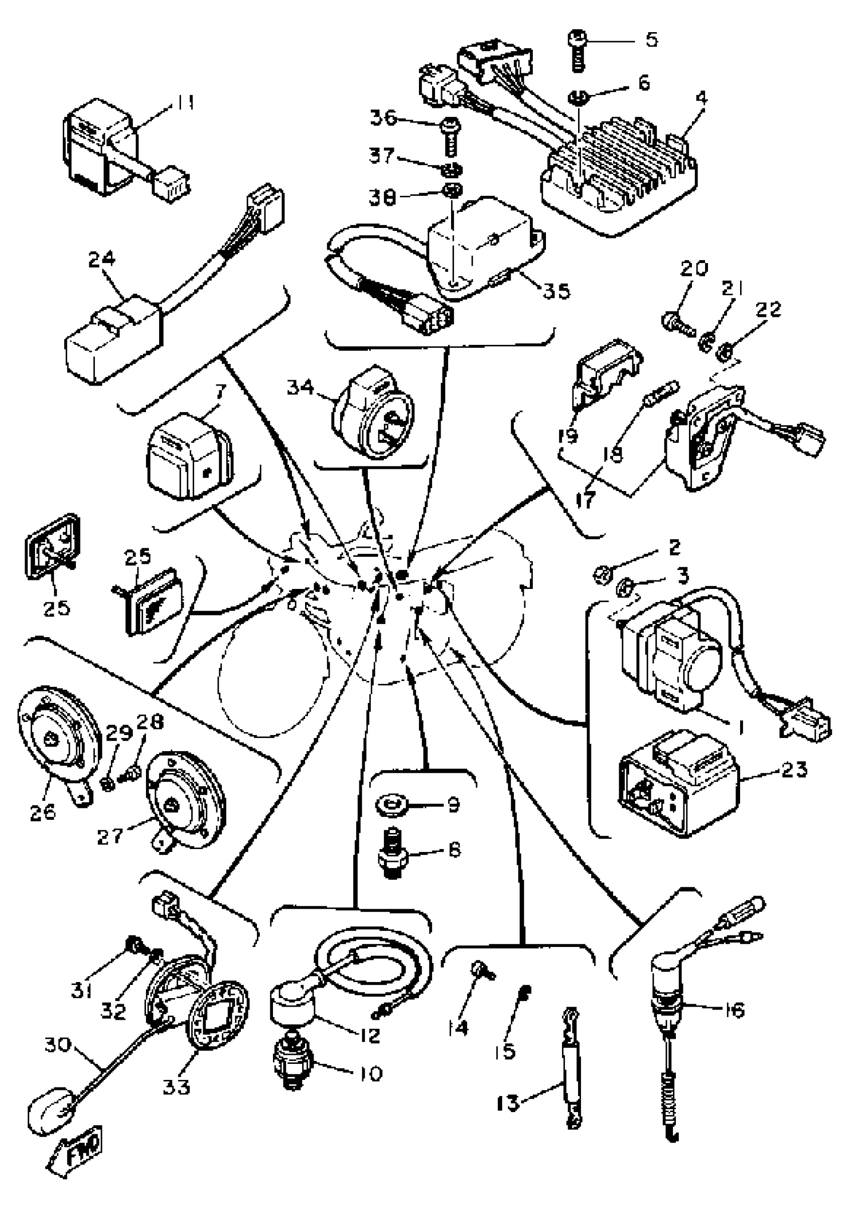
Yamaha XS1100H (XS1100) 1981 ELECTRICAL 2 Diagram
#
1
STARTER SWITCH ASSEMBLY
1J7-81940-10-00
Unavailable
3
WASHER, SPRING
92995-06100-00
Unavailable
4
RECTIFIER/REG ASSEMBLY
1T4-81960-A0-00
Unavailable
5
SCREW, PAN HEAD(6E0)
97885-06030-00
Unavailable
6
WASHER, SPRING
92995-06100-00
Unavailable
7
RELAY ASSY (3H5-00)
3H5-81950-00-00
Unavailable
10
OIL PRESSURE SWITCH ASSEMBLY
341-82504-02-00
Unavailable
11
EMERGENCY STOP SWITCH ASSY
2H7-82576-00-00
Unavailable
12
WIRE, LEAD
2H7-82507-00-00
Unavailable
13
WIRE, EARTH LEAD
2H7-82519-00-00
Unavailable
14
SCREW, PAN HEAD(62J)
97885-06012-00
Unavailable
15
WASHER, SPRING
92995-06100-00
Unavailable
16
STOP SWITCH
1J7-82530-02-00
Unavailable
17
TERMINAL ASSEMBLY
2H7-81920-00-00
Unavailable
18
FUSE
1A0-82151-00-00
Unavailable
19
COVER, TERMINAL
(2H7-81916-00-00)
Unavailable
20
SCREW, PAN HEAD(6B0)
97885-05016-00
Unavailable
21
YBS67-5 WASHER, SPRING
92990-05100-00
Unavailable
22
WASHER, PLAIN (646)
92990-05600-00
Unavailable
23
FLASHER RELAY ASSY
2NV-83350-00-00
Unavailable
24
FLASHER CANCELING UNIT
1A0-83395-03-00
Unavailable
25
FRONT REFLECTOR ASSEMBLY
2H7-85110-00-00
Unavailable
26
HORN
2H9-83371-20-00
Unavailable
27
HORN
2H9-83371-30-00
Unavailable
28
BOLT, HEXAGON
97017-08016-00
Unavailable
29
WASHER(JN5)
92907-08100-00
Unavailable
30
SNEDER UNIT ASSEMBLY, FUEL METER
2H7-85752-00-00
Unavailable
31
BOLT, FLANGE
95817-06014-00
Unavailable
32
WASHER, PLATE(3MB)
90202-05187-00
Unavailable
33
GASKET, SENDER UNIT
2H7-85753-00-00
Unavailable
34
HAZARD FLASHER RELAY ASSEMBLY
3H5-83360-00-00
Unavailable
35
RESERVE LIGHTING UNIT ASSEMBLY
2F9-84308-00-00
Unavailable
36
SCREW PAN HEAD
98580-06020-00
Unavailable
37
WASHER, SPRING
92995-06100-00
Unavailable
38
WASHER, PLAIN (646)
92990-06600-00
Unavailable
