- Partiron
- OEM Parts
- Yamaha
- motorcycle
- 1980
- XS1100G (XS1100) 1980
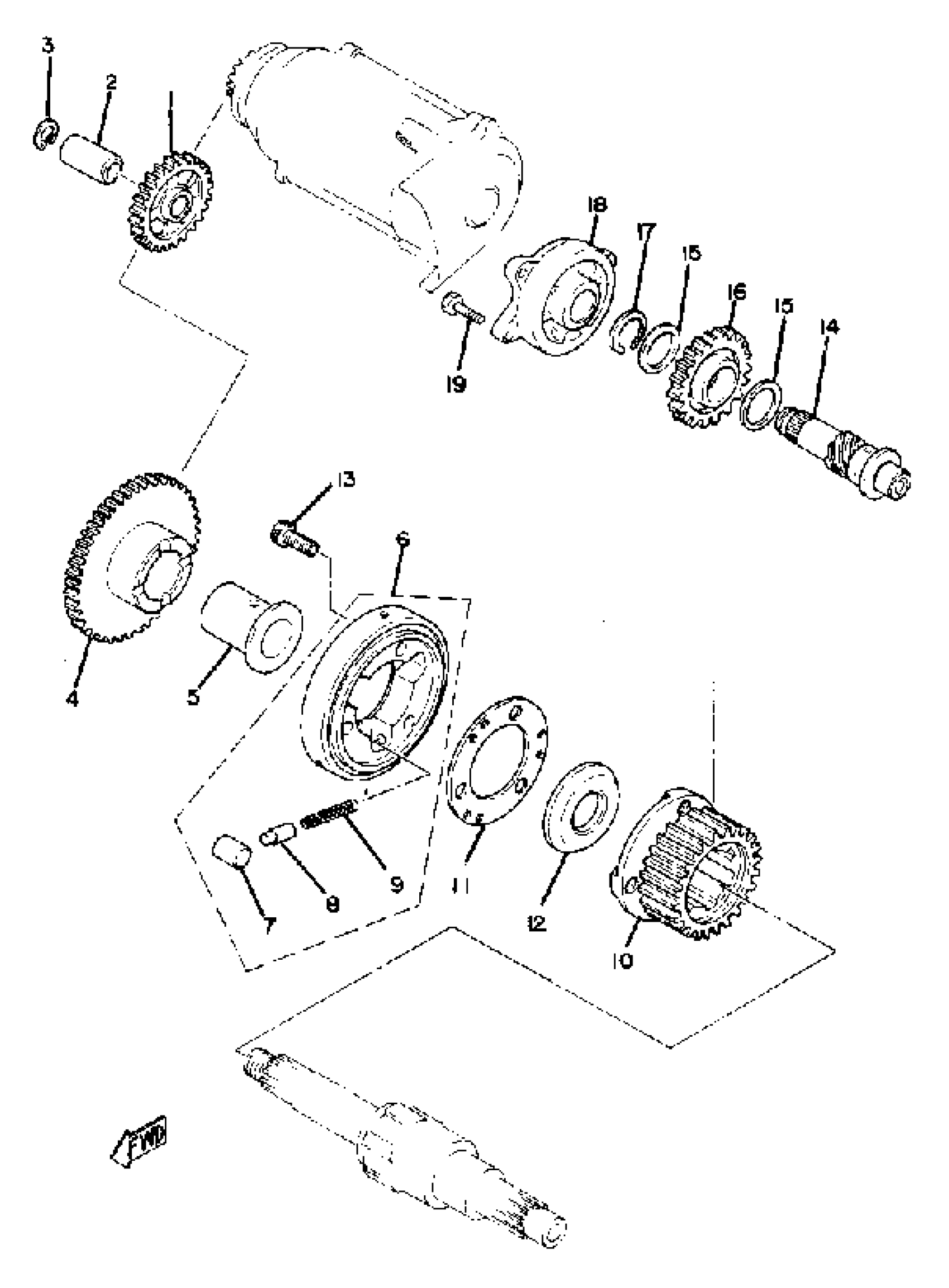
STARTER CLUTCH
Yamaha XS1100G (XS1100) 1980 STARTER CLUTCH Diagram
#
Description
Price
1
GEAR, IDLER 1
2H7-15512-00-00
Unavailable
2
SHAFT 1
(2H7-15521-00-00)
Unavailable
4
GEAR, IDLER 2
2H7-15517-00-00
Unavailable
5
SPACER
90560-25174-00
Unavailable
6
STR CLUTCH OTR ASSEMBLY
2H7-15580-01-00
Unavailable
10
GEAR, DRIVEN
2H7-11537-00-00
Unavailable
11
PLATE, CLUTCH COVER
(2H7-15589-00-00)
Unavailable
12
WASHER, SPEC''L SHAP
90209-25169-00
Unavailable
13
BOLT, SOCKET HEAD
91316-08018-00
Unavailable
14
KICK-SHAFT CMPLT 2
(2H7-W1565-00-00)
Unavailable
16
GEAR 3
(2H7-15515-00-00)
Unavailable
17
CIRCLIP (4L0)
93440-25084-00
Unavailable
18
HOLDER, KICK GEAR
2H7-15654-00-00
Unavailable
19
BOLT, HEXAGON
97017-06020-00
Unavailable
