- Partiron
- OEM Parts
- Yamaha
- motorcycle
- 1980
- XS1100G (XS1100) 1980
PICK UP COIL GOVERNOR
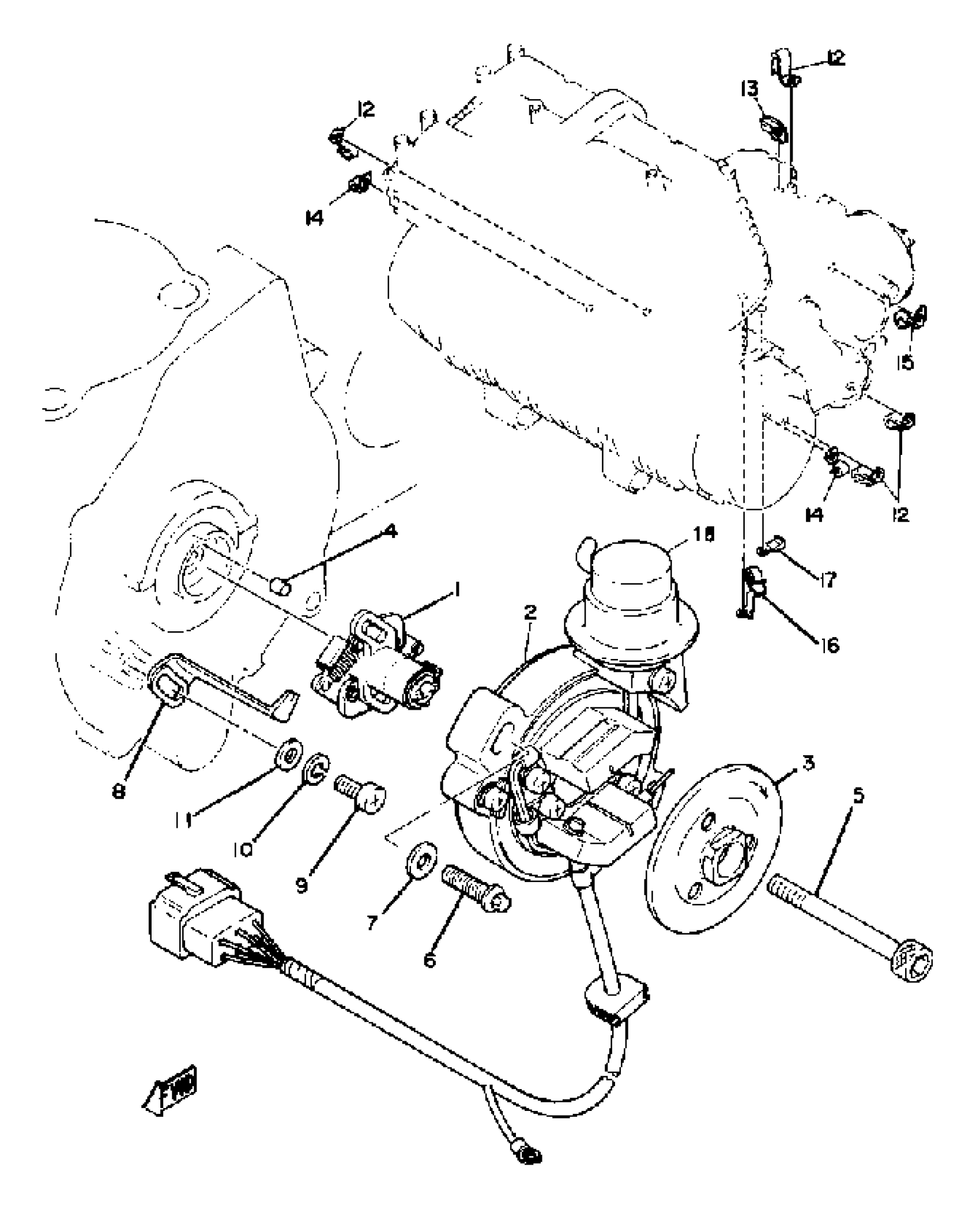
Yamaha XS1100G (XS1100) 1980 PICK UP COIL GOVERNOR Diagram
#
Description
Price
1
GOVERNOR ASSEMBLY
3H5-81653-10-00
Unavailable
2
BASE, PICKUP
3H5-81671-10-00
Unavailable
3
PLATE, TIMING 2
2H7-81672-11-00
Unavailable
5
BOLT, HEXAGON SOCKET HEAD(XA1)
90110-08235-00
Unavailable
6
BOLT
3H5-81674-00-00
Unavailable
7
WASHER, SPECIAL
(3H5-81675-01-00)
Unavailable
8
PLATE, TIMING
2H7-81632-01-00
Unavailable
9
SCREW, PAN HEAD(62J)
97885-06012-00
Unavailable
10
WASHER, SPRING
92995-06100-00
Unavailable
13
CLAMP
(90465-10123-00)
Unavailable
14
CLAMP(51Y)
90465-08277-00
Unavailable
15
CLAMP
(90465-10137-00)
Unavailable
16
CLAMP
90465-08135-00
Unavailable
17
CLAMP
(90465-08136-00)
Unavailable
18
DIAPHRAGM ASSEMBLY
(3H5-81683-09-00)
Unavailable
