- Partiron
- OEM Parts
- Yamaha
- motorcycle
- 1980
- XS1100G (XS1100) 1980
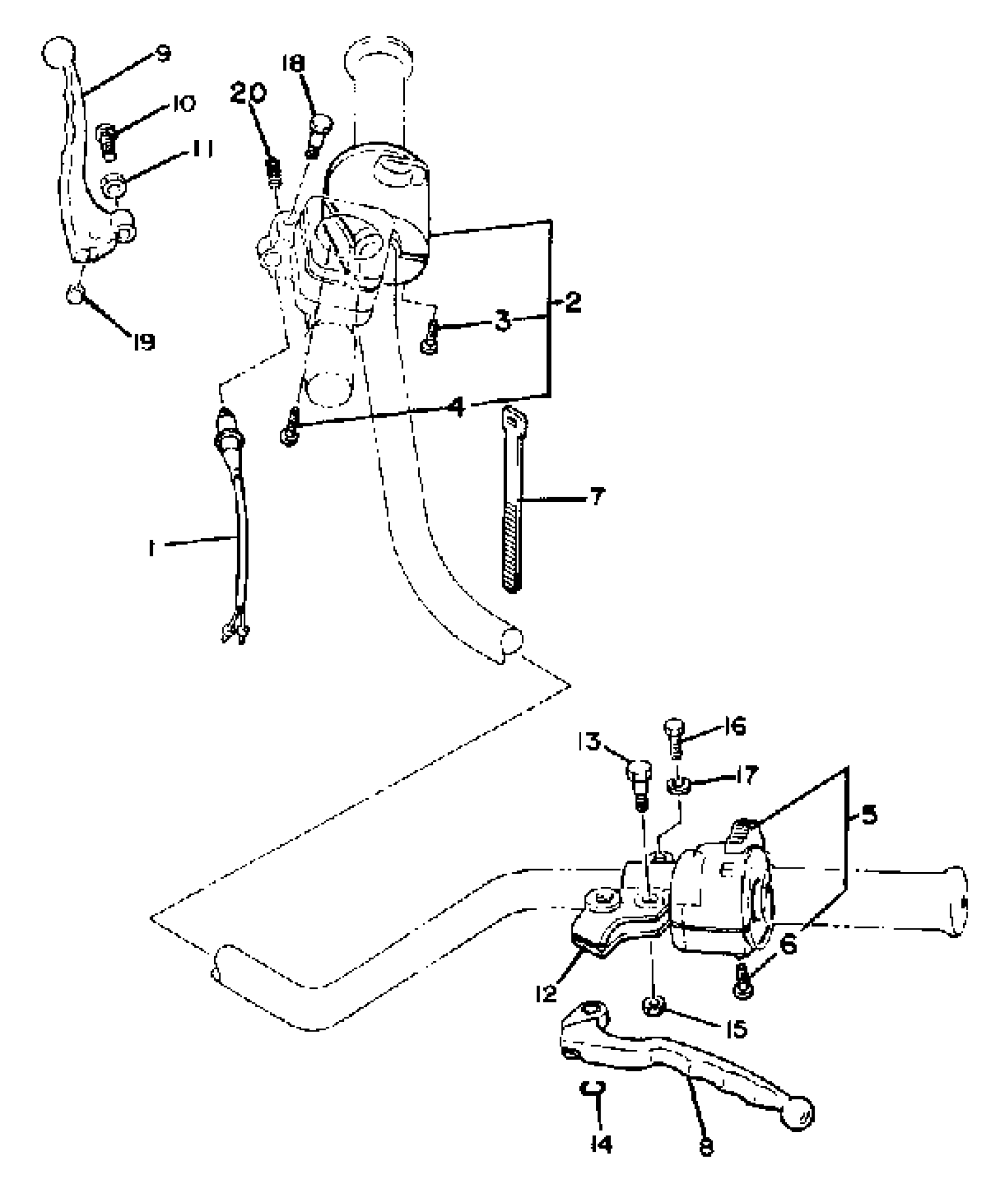
HANDLE SWITCH LEVER
Yamaha XS1100G (XS1100) 1980 HANDLE SWITCH LEVER Diagram
#
Description
Price
2
SWITCH, HANDLE 2
2H7-83975-09-00
Unavailable
5
SWITCH, HANDLE 4
3J6-83972-00-00
Unavailable
12
HOLDER, LEVER (L.H) (371,447)
341-82911-00-00
Unavailable
16
BOLT, HEXAGON
97013-06022-00
Unavailable
17
WASHER, SPRING
92907-06100-00
Unavailable
18
BOLT (4L0)
90109-06577-00
Unavailable
19
BUSH, SPEC''L NYLON
90386-08094-00
Unavailable
20
SPRING, COMPRESSION (2H7)
90501-10510-00
Unavailable
