- Partiron
- OEM Parts
- Yamaha
- motorcycle
- 1979
- XS1100F (XS1100) 1979
SWING ARM - REAR SHOCKS
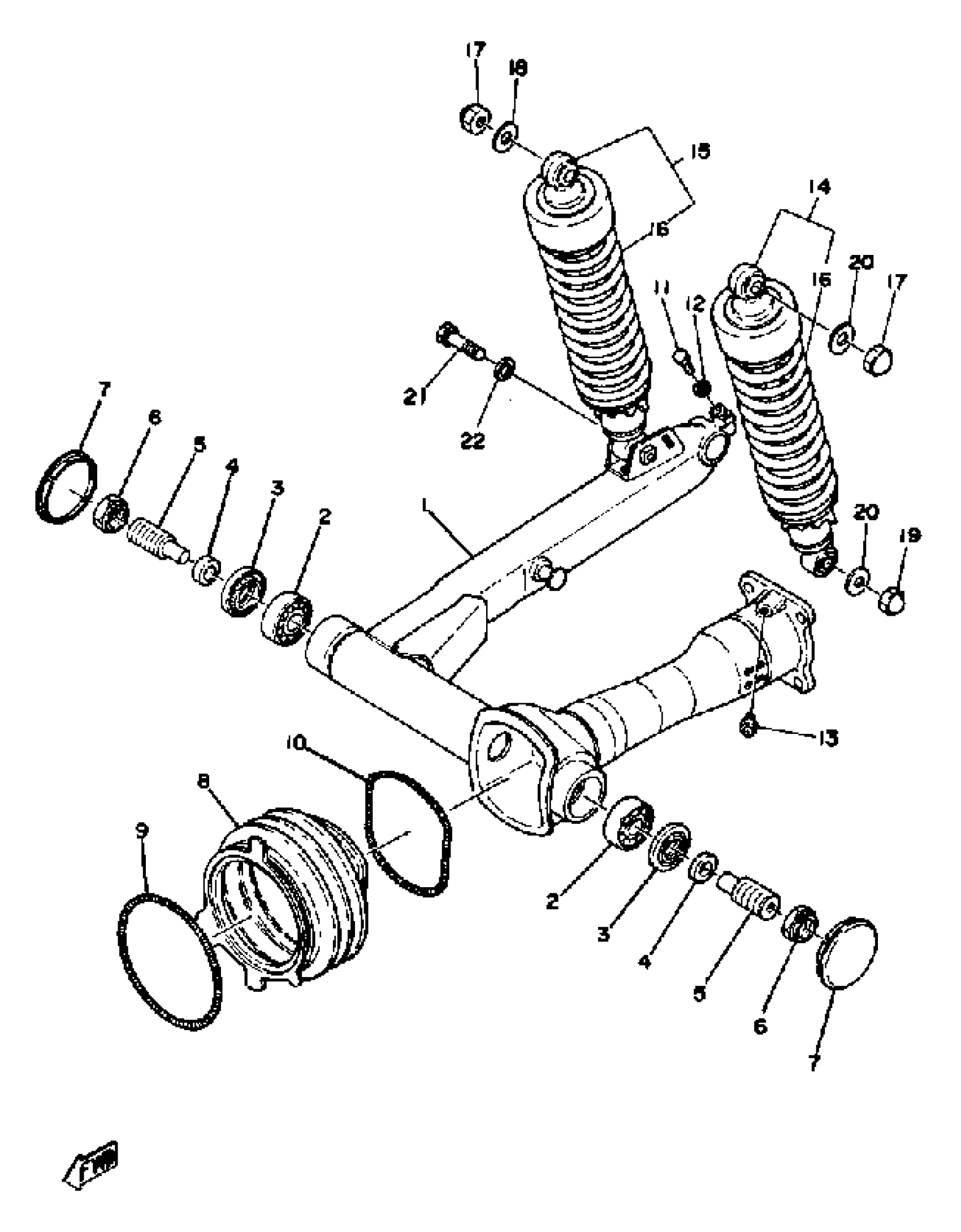
Yamaha XS1100F (XS1100) 1979 SWING ARM - REAR SHOCKS Diagram
#
Description
Price
1
REAR ARM
(3H3-22110-00-98)
Unavailable
1
REAR ARM
(3H3-22110-00-98)
Unavailable
5
SHAFT, PIVOT
15B-22141-00-00
Unavailable
8
BOOT, RUBBER
2H7-22189-00-00
Unavailable
13
NIPPLE, GREASE
93700-06M03-00
Unavailable
14
SHKASBASSEMBLYREAR
2H9-22210-00-00
Unavailable
15
SHK/ASB ASSEMBLY, REAR
2H9-22210-10-00
Unavailable
16
SPRING
(2H7-22212-00-00)
Unavailable
17
NUT, CAP (371)
90176-10009-00
Unavailable
18
WASHER, PLATE (2J2)
90201-10696-00
Unavailable
19
NUT, CROWN(3BM)
90176-10073-00
Unavailable
20
WASHER, PLATE (2H7)
90201-10669-00
Unavailable
21
BOLT,DOME HEAD
90106-10052-00
Unavailable
22
SHK/ABS ASSEMBLY, REAR
(2H7-22210-A0-00)
Unavailable
22
SHK/ABS ASSEMBLY, REAR
(2H7-22210-E0-00)
Unavailable
22
YBS67-10 WASHER, SPRING
92990-10100-00
Unavailable
