- Partiron
- OEM Parts
- Yamaha
- motorcycle
- 1979
- XS1100F (XS1100) 1979
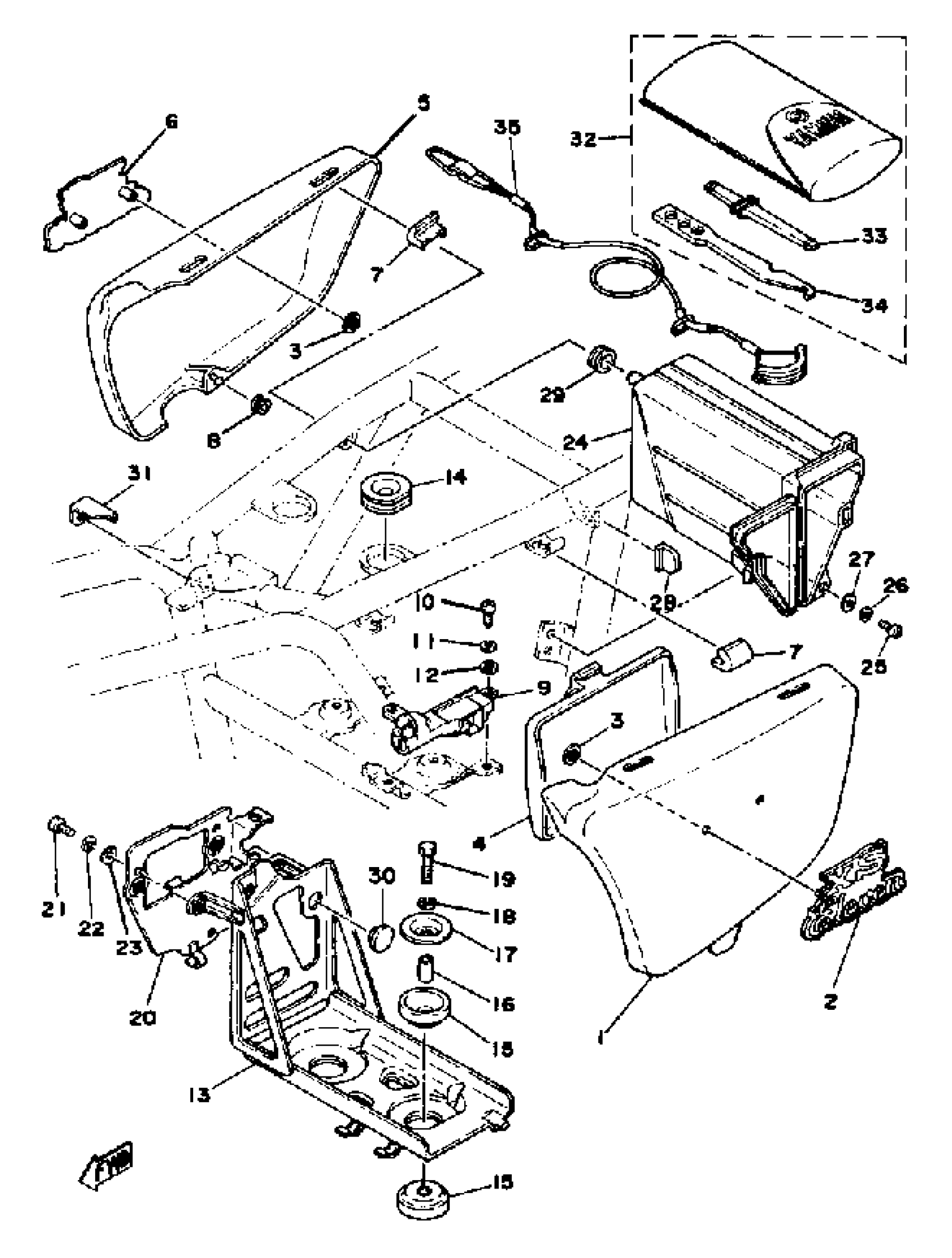
SIDE COVER - TOOL
Yamaha XS1100F (XS1100) 1979 SIDE COVER - TOOL Diagram
#
1
COVER, SIDE 1
2H7-21711-00-4E
Unavailable
1
COVER, SIDE 1
2H7-21711-00-7E
Unavailable
2
EMBLEM 1
2H7-21781-10-00
Unavailable
4
LID
2H7-28185-00-00
Unavailable
5
COVER, SIDE 2
2H7-21721-00-4E
Unavailable
5
COVER, SIDE 2
2H7-21721-00-7E
Unavailable
6
EMBLEM 2
2H7-21782-10-00
Unavailable
7
DAMPER
2H7-21717-00-00
Unavailable
9
SIDE CVR LOCK ASSEMBLY
(4H3-21708-00-00)
Unavailable
13
BOX
(2H7-21170-00-33)
Unavailable
14
DAMPER
2H7-21747-00-00
Unavailable
15
DAMPER
2H7-21746-00-00
Unavailable
16
COLLAR
90387-06387-00
Unavailable
17
WASHER, SPEC''L SHAP
90209-07170-00
Unavailable
18
WASHER, SPRING
92995-06100-00
Unavailable
19
BOLT, HEXAGON
97017-06030-00
Unavailable
20
PLATE 1
(2H7-21543-00-91)
Unavailable
21
SCREW, PAN HEAD(62J)
97885-06012-00
Unavailable
22
WASHER, SPRING
92995-06100-00
Unavailable
23
WASHER, PLATE (4H7)
90201-061A5-00
Unavailable
24
BOX, TOOL
2H7-21171-01-00
Unavailable
25
SCREW, PAN HEAD(62J)
97885-06012-00
Unavailable
26
WASHER, SPRING
92995-06100-00
Unavailable
27
WASHER, PLATE
90201-06M08-00
Unavailable
28
GROMMET
90480-16185-00
Unavailable
29
GROMMET (1E6)
90480-15058-00
Unavailable
30
GROMMET
(90480-17218-00)
Unavailable
31
WASHER, SPECIAL 1
(2H7-21715-00-00)
Unavailable
32
TOOL KIT
2H7-W2810-00-00
Unavailable
33
. GAUGE, OIL LEVEL
2H7-2815A-00-00
Unavailable
34
. LEVER, WIRE HOOK
2H7-2816A-00-00
Unavailable
35
WIRE, HOOK
(2H7-2814A-00-00)
Unavailable
