- Partiron
- OEM Parts
- Yamaha
- motorcycle
- 1970
- XS1 (XS1_XS1) 1970
FLASHER LAMP (XS1B)
Yamaha XS1 (XS1_XS1) 1970 FLASHER LAMP (XS1B) Diagram
#
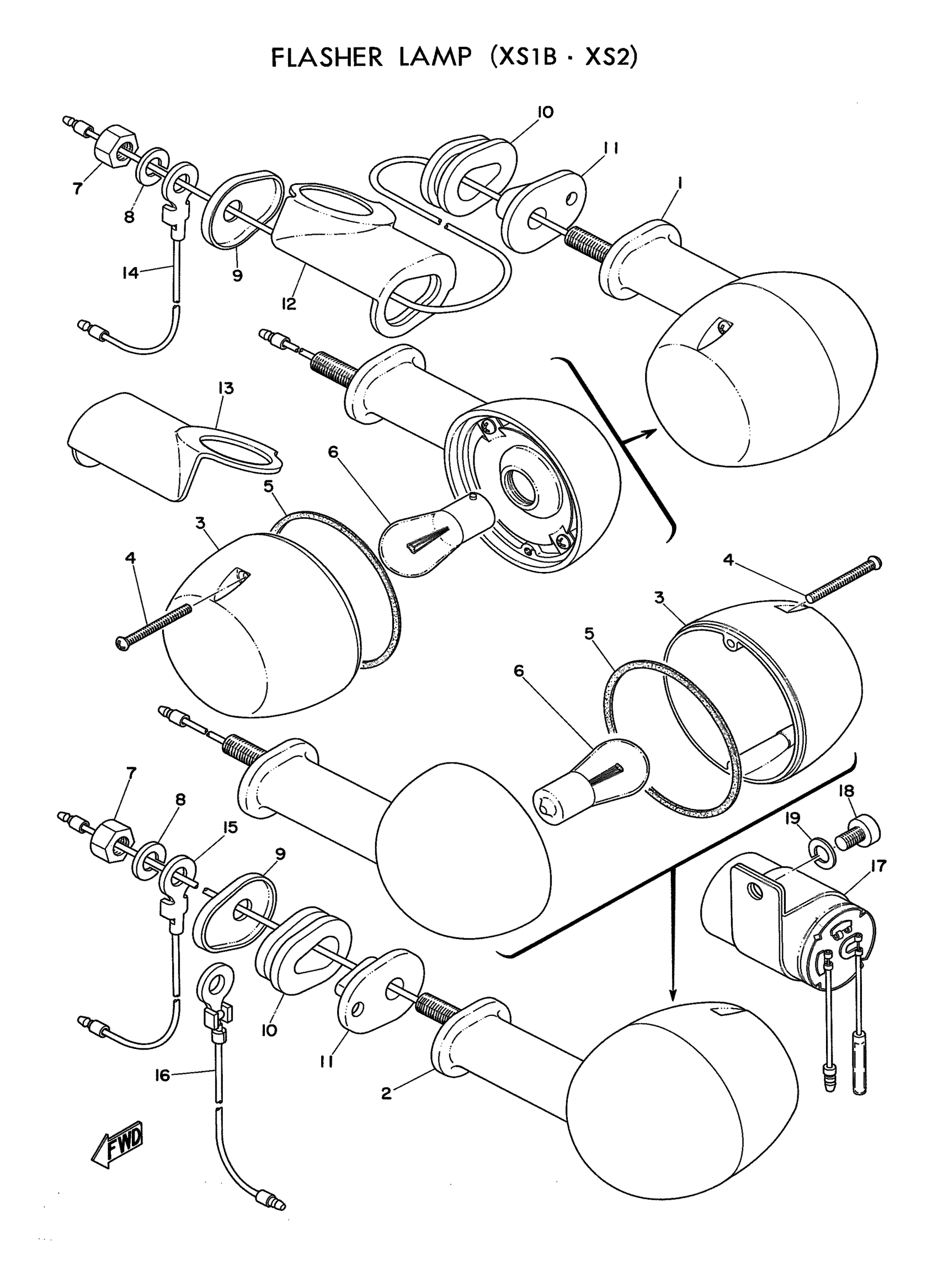
1
FRT FLSHR LITE ASSEMBLY
256-83320-71-93
Unavailable
1
FRONT FLASHER ASSEMBLY
4G5-83310-90-00
Unavailable
2
R FLSHR LITE ASSEMBLY
(256-83340-76-93)
Unavailable
2
R FLSHR LITE ASSEMBLY
366-83330-70-93
Unavailable
2
R FLSHR LITE ASSEMBLY
366-83340-71-93
Unavailable
3
LENS, FLASHER
183-83312-70-00
Unavailable
3
. LENS, REAR RED FLASHER
211-83332-75-00
Unavailable
3
LENS, FLASHER
341-83312-70-00
Unavailable
3
. LENS, FLASHER
341-83332-70-00
Unavailable
4
SCREW, COUNTERSUNK
90151-03003-00
Unavailable
5
GASKET,FLASHER LANS
183-83313-70-00
Unavailable
6
. BULB (12V-32CP)
256-83311-70-XX
Unavailable
8
YBS67-8 WASHER, SPRING
92990-08100-00
Unavailable
9
WASHER, SPEC''L SHAP
90209-08028-00
Unavailable
10
DAMPER, FLASHER 1
256-83321-00-00
Unavailable
11
COLLAR, FLASHER 1
256-83316-00-00
Unavailable
11
COLLAR, FLASHER 1
366-83316-00-00
Unavailable
12
STAY, FLASHER
256-83368-00-00
Unavailable
13
STAY, FLASHER
(256-83369-00-00)
Unavailable
14
CORD
256-83336-01-00
Unavailable
15
CORD
256-83336-01-00
Unavailable
16
CORD
256-83346-01-00
Unavailable
17
FLASHER RELAY ASSEMBLY
278-83350-71-00
Unavailable
18
SCREW PAN HEAD
98580-06010-00
Unavailable
19
WASHER, SPRING
92995-06100-00
Unavailable
20
BOLT (661)
97013-06012-00
Unavailable
21
. BOLT, STUD
341-83367-09-00
Unavailable
22
. BOLT, STUD
360-83367-09-00
Unavailable
