- Partiron
- OEM Parts
- Honda
- MOTORCYCLE
- 1987
- XR80RA (87) MOTORCYCLE, JPN, VIN# JH2HE010-HK800004 TO JH2HE010-HK806021
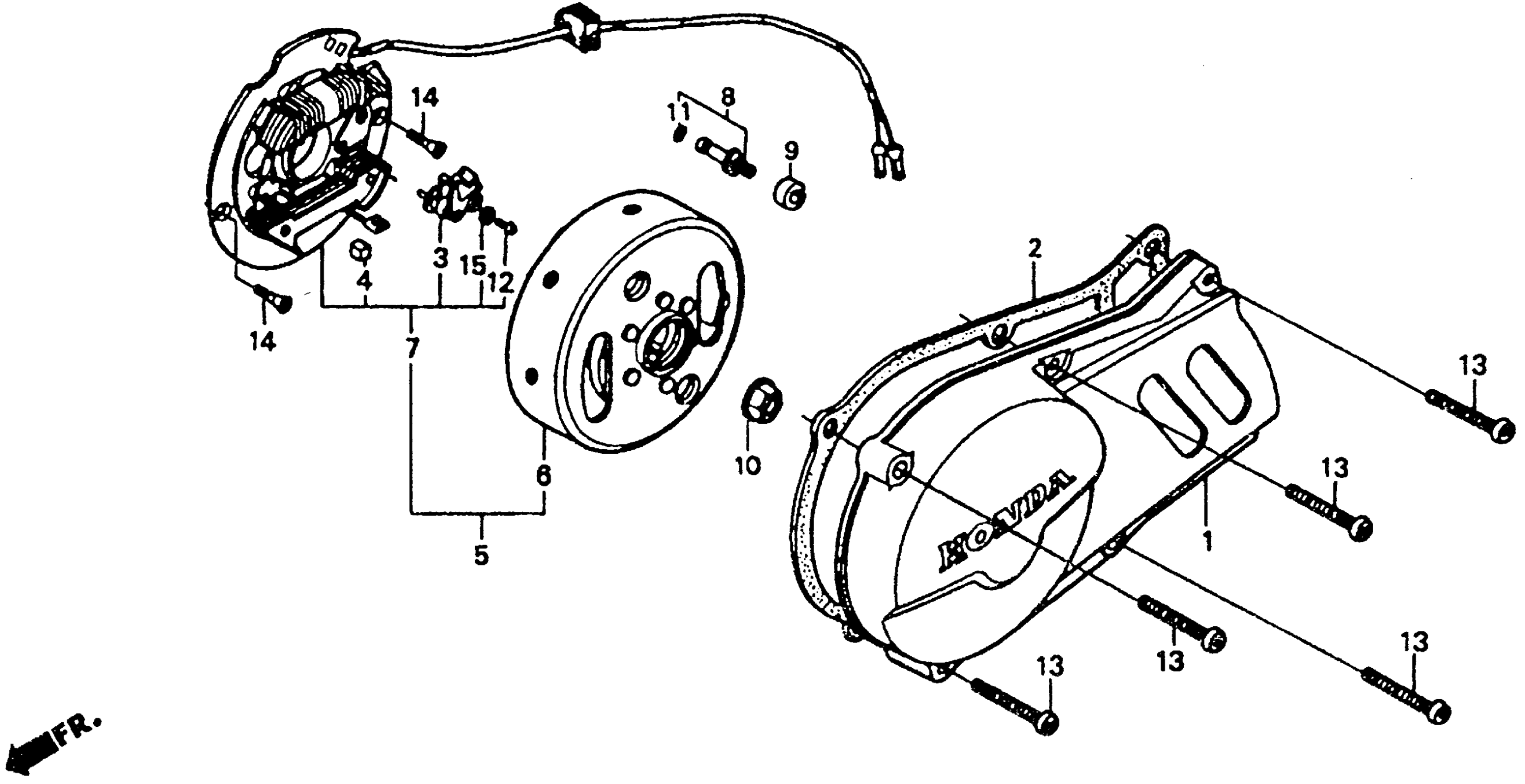
LEFT CRANKCASE COVER 85-91
Honda XR80RA (87) MOTORCYCLE, JPN, VIN# JH2HE010-HK800004 TO JH2HE010-HK806021 LEFT CRANKCASE COVER 85-91 Diagram
#
Description
Price
1
COVER SET, L. CRANKCASE This part replaces 11341-GN1-000.
11340-GN1-306
Unavailable
5
GENERATOR ASSY., FLYWHEEL TYPEA.C. (HITACHI) (NOT AVAILABLE)
31100-153-005
Unavailable
6
FLYWHEEL (HITACHI) (NOT AVAILABLE)
31110-153-005
Unavailable
7
STATOR (HITACHI) (NOT AVAILABLE)
31120-153-005
Unavailable
