- Partiron
- OEM Parts
- Honda
- MOTORCYCLE
- 1987
- XR80RA (87) MOTORCYCLE, JPN, VIN# JH2HE010-HK800004 TO JH2HE010-HK806021
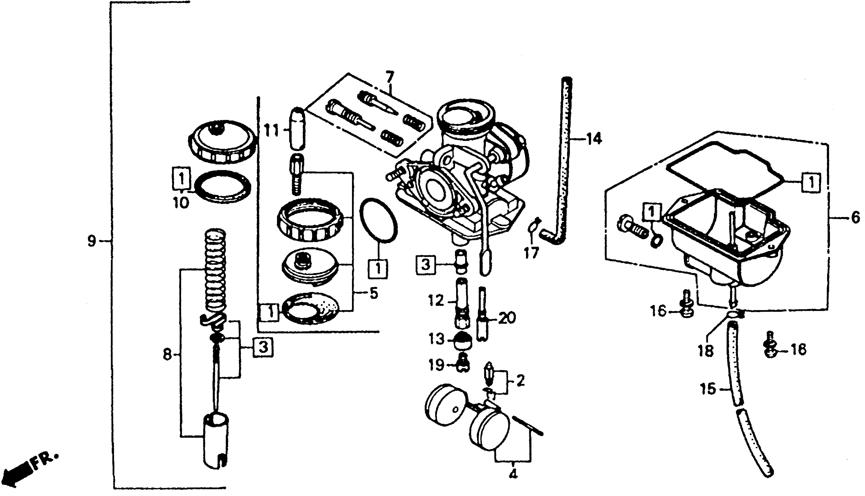
CARBURETOR
Honda XR80RA (87) MOTORCYCLE, JPN, VIN# JH2HE010-HK800004 TO JH2HE010-HK806021 CARBURETOR Diagram
#
Description
Price
6
CHAMBER SET, FLOAT
16015-GN1-671
Unavailable
9
CARBURETOR ASSY. (PC20B C) This part replaces 16100-GN1-682.
16100-GN1-684
Unavailable
9
CARBURETOR ASSY. (PC20B C) This part replaces 16100-GN1-683.
16100-GN1-684
Unavailable
9
CARBURETOR ASSY. (PC20B C)
16100-GN1-684
Unavailable
14
TUBE, AIR VENT (NOT AVAILABLE)
16199-GN1-671
Unavailable
