- Partiron
- OEM Parts
- Honda
- MOTORCYCLE
- Models With No Year
- XR75A MOTORCYCLE, JPN, VIN# XR75-1000001 TO XR75-1024550
FRAME
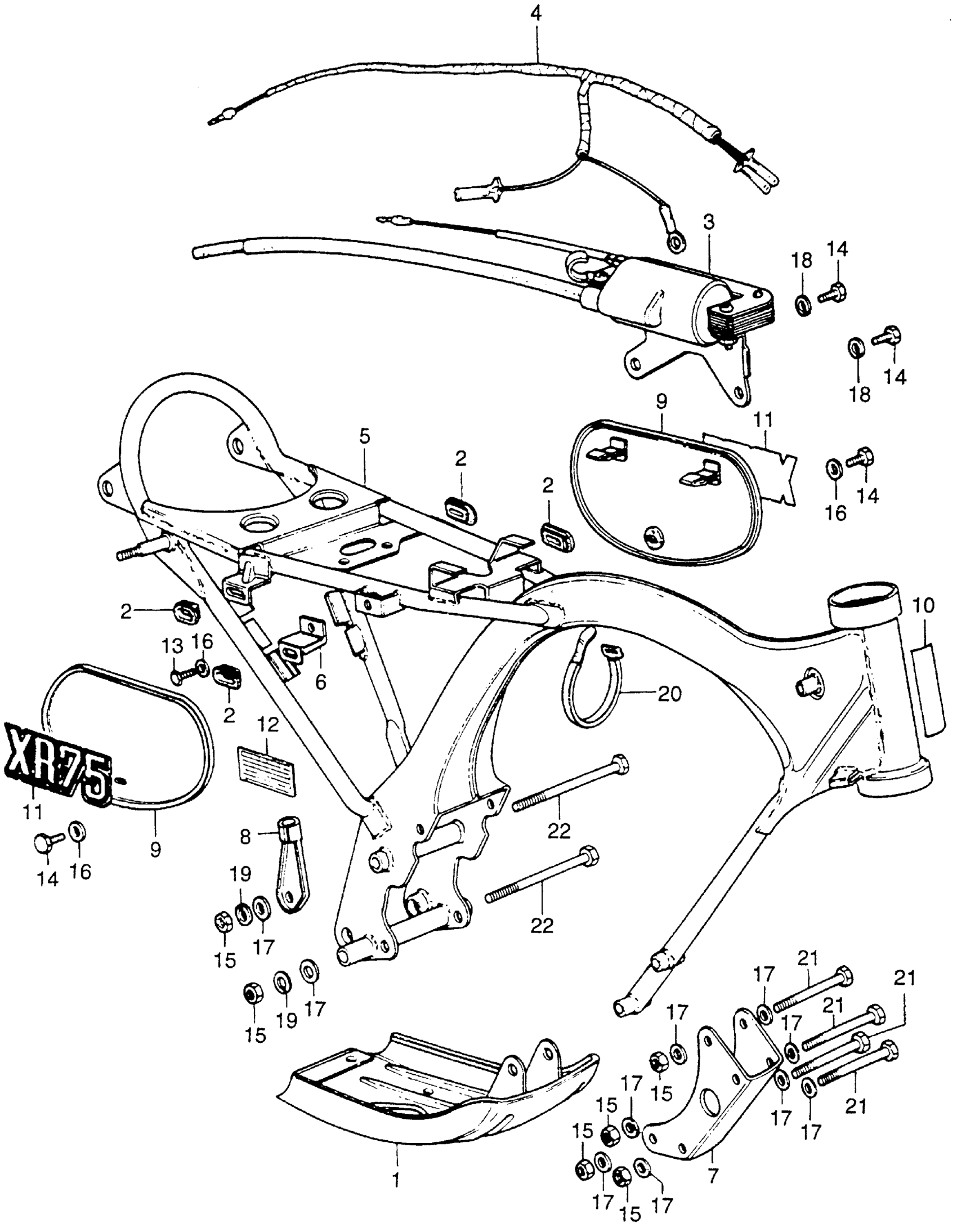
Honda XR75A MOTORCYCLE, JPN, VIN# XR75-1000001 TO XR75-1024550 FRAME Diagram
#
Description
Price
1
PROTECTOR, CRANKCASE *NH1* (BLACK) (NOT AVAILABLE)
11911-116-670B
Unavailable
3
COIL ASSY., IGNITION (TOYO) (NOT AVAILABLE)
30500-115-013
Unavailable
4
WIRE HARNESS (NOT AVAILABLE)
32100-116-670
Unavailable
5
FRAME *NH1* (BLACK) (NOT AVAILABLE)
50100-116-672B
Unavailable
6
STAY B, R. NUMBER SETTING *NH1* (BLACK) (NOT AVAILABLE)
50152-116-670B
Unavailable
8
RECEIVER, CLUTCH CABLE (NOT AVAILABLE)
50356-115-000
Unavailable
9
PLATE, SIDE NUMBER *NH36MS* (LAVA GRAY METALLIC SPECIAL) (NOT AVAILABLE)
83510-116-670QN
Unavailable
11
MARK, SIDE NUMBER PLATE (NOT AVAILABLE)
87128-116-670
Unavailable
22
BOLT, HEX. (8X100) This part replaces 95300-08100.
95300-08100-00
Unavailable
22
BOLT, HEX. (8X100)
95300-08100-00
Unavailable
