Partiron

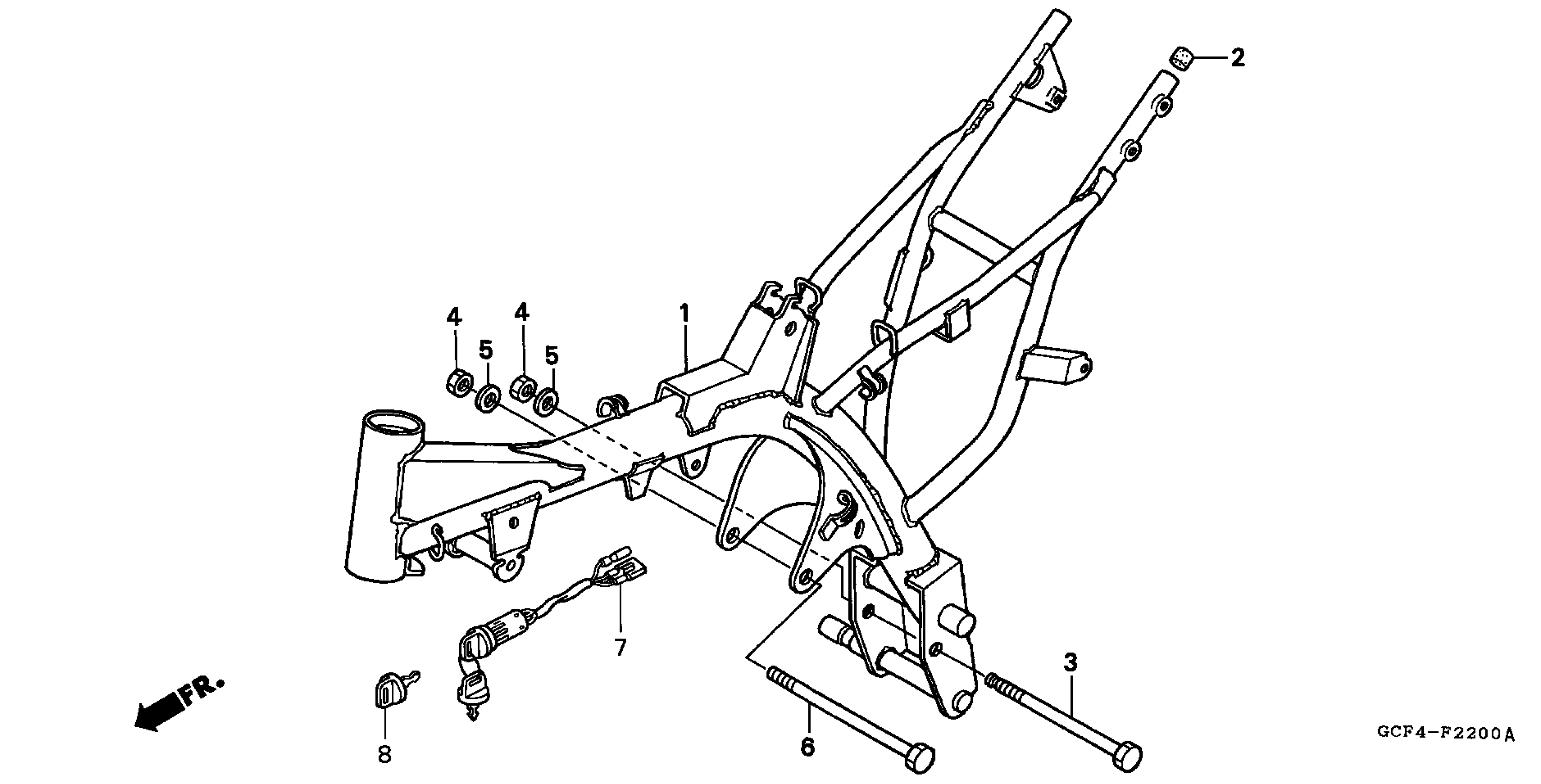
Honda XR70RA (99) MOTORCYCLE, JPN, VIN# JH2DE020-XK200001 TO JH2DE020-XK299999 FRAME Diagram

#

Description
Price

1

FRAME *NH138* (SHASTA WHITE) FRAME *NH146M* This part replaces 50100-GCF-670ZA.

50100-GCF-671ZA

Unavailable

1

FRAME *NH138* (SHASTA WHITE) FRAME *NH146M*

50100-GCF-671ZA

Unavailable

2

RUBBER, PIPE END

50351-GCF-670

$1.90

3

BOLT, RR. ENGINE (LOWER)

90116-001-010

$8.83

4

NUT, HEX. (8MM)

94030-08000

$1.49

5

WASHER, SPRING (8MM)

94111-08000

$1.49

6

BOLT, HEX. (8X115)

95301-08115-00

$3.27