- Partiron
- OEM Parts
- Honda
- MOTORCYCLE
- 1997
- XR70RA (97) MOTORCYCLE, JPN, VIN# JH2DE020-VK000001 TO JH2DE020-VK005371
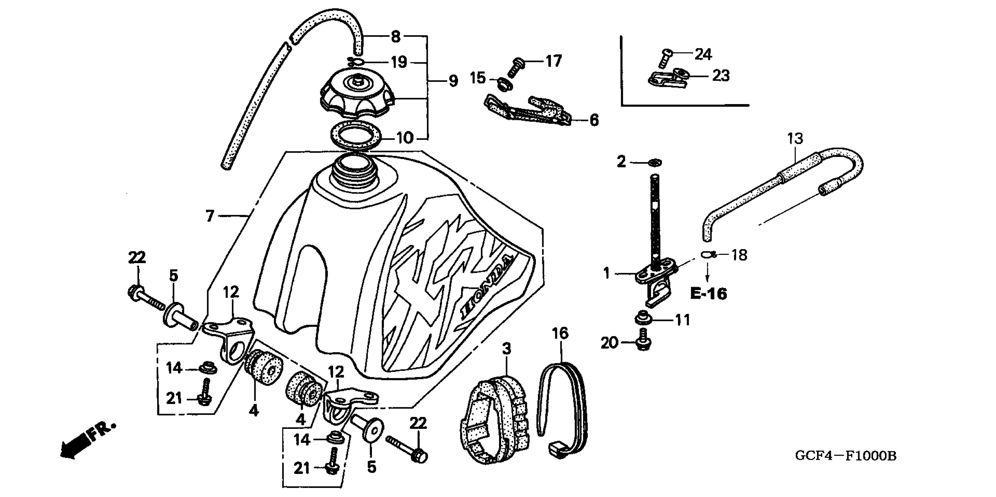
FUEL TANK (1)
Honda XR70RA (97) MOTORCYCLE, JPN, VIN# JH2DE020-VK000001 TO JH2DE020-VK005371 FUEL TANK (1) Diagram
#
Description
Price
3
RUBBER, TANK SETTING
17504-GCF-670
Unavailable
6
BAND, RR. TANK (NOT AVAILABLE)
17516-GCF-670
Unavailable
7
TANK SET, FUEL (TYPE1) (WL)
17520-GCF-670ZB
Unavailable
