- Partiron
- OEM Parts
- Honda
- MOTORCYCLE
- 2003
- XR650RA (03) MOTORCYCLE, JPN, VIN# JH2RE010-3M400001 TO JH2RE010-3M449999
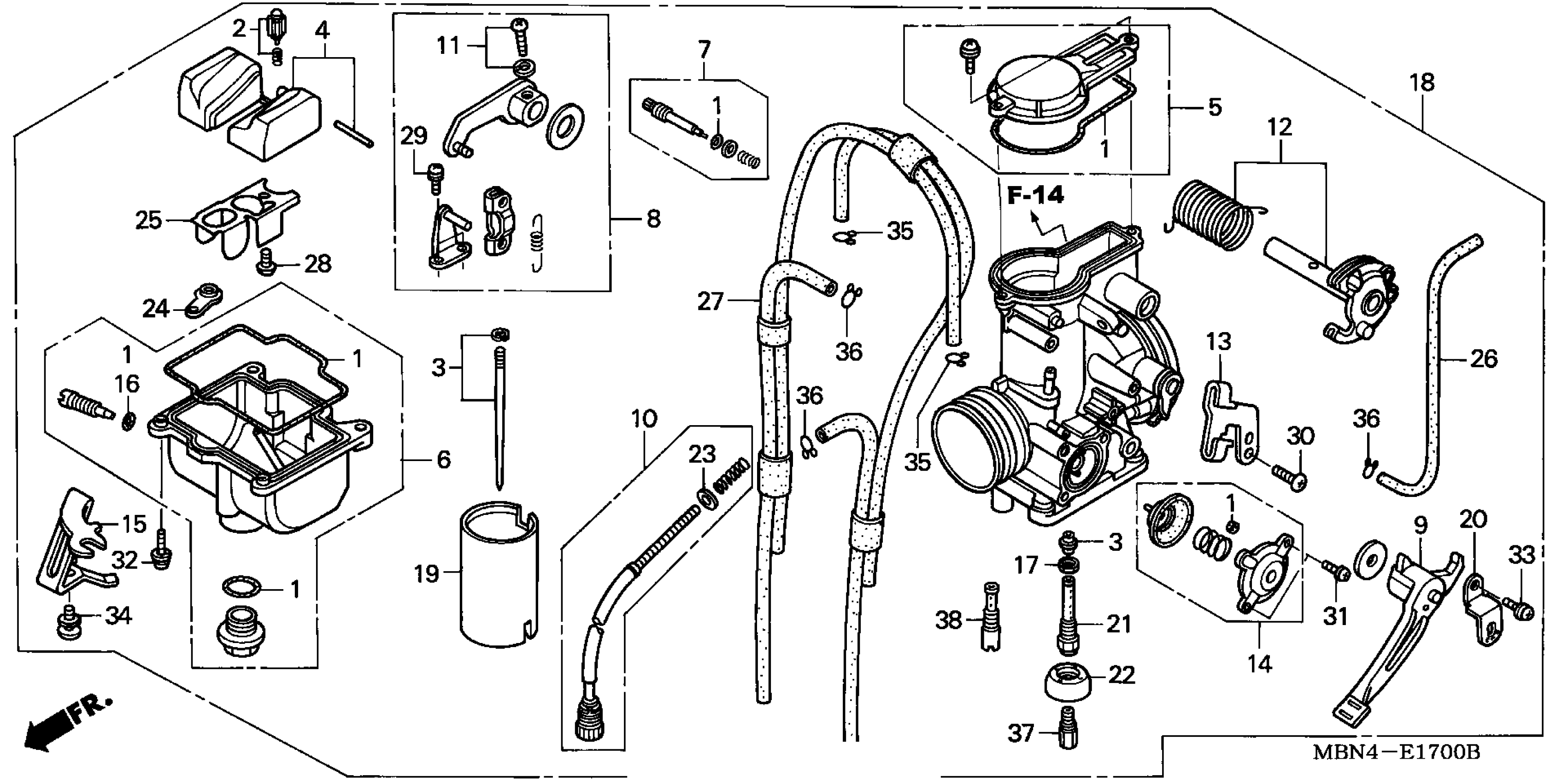
CARBURETOR
Honda XR650RA (03) MOTORCYCLE, JPN, VIN# JH2RE010-3M400001 TO JH2RE010-3M449999 CARBURETOR Diagram
#
Description
Price
6
CHAMBER SET, FLOAT
16015-MBN-671
Unavailable
9
LEVER, CHOKE
16019-MBN-671
Unavailable
10
SCREW SET B
16028-MBN-671
Unavailable
12
LINK SET, THROTTLE
16032-MBN-671
Unavailable
13
PLATE, STAY
16038-MBN-671
Unavailable
17
NUT, HEX.
16091-KAE-000
Unavailable
19
VALVE, THROTTLE
16112-MBN-671
Unavailable
20
PLATE, SET
16119-MBN-671
Unavailable
21
HOLDER, NEEDLE JET
16165-MBN-641
Unavailable
22
HOLDER, JET
16168-KA5-004
Unavailable
23
WASHER, PLAIN
16178-GHB-620
Unavailable
23
WASHER, PLAIN This part replaces 16178-ML7-004.
16178-GHB-620
Unavailable
25
PLATE, BUFFER
16185-MBN-671
Unavailable
38
JET, SLOW (#60) | (Optional).
99103-MAG-0600
Unavailable
38
JET, SLOW (#62) | (Optional).
99103-MAG-0620
Unavailable
