- Partiron
- OEM Parts
- Honda
- MOTORCYCLE
- 1989
- XR600RA (89) MOTORCYCLE, JPN, VIN# JH2PE040-KK400001 TO JH2PE040-KK402027
CARBURETOR 88-92
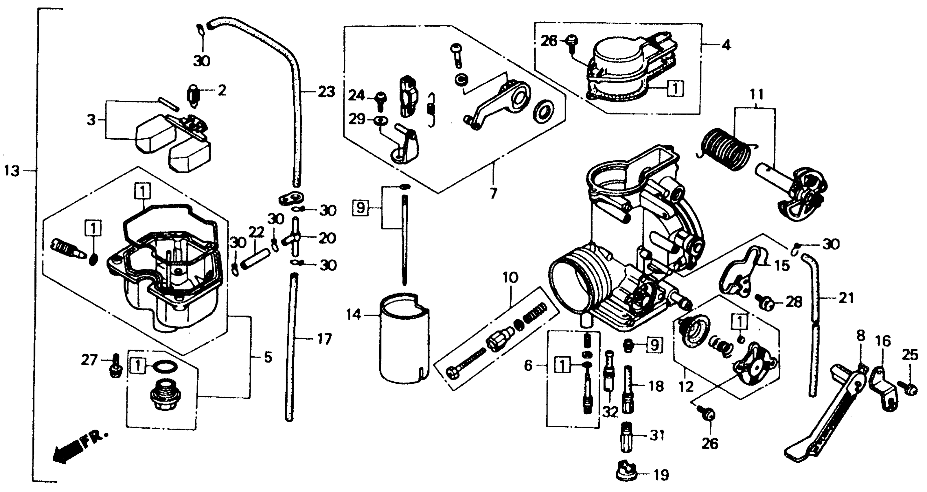
Honda XR600RA (89) MOTORCYCLE, JPN, VIN# JH2PE040-KK400001 TO JH2PE040-KK402027 CARBURETOR 88-92 Diagram
#
Description
Price
4
TOP SET
16014-MN1-671
Unavailable
5
CHAMBER SET, FLOAT
16015-MAG-L01
Unavailable
5
CHAMBER SET, FLOAT This part replaces 16015-MN1-671.
16015-MAG-L01
Unavailable
7
ARM SET, LINK This part replaces 16018-MN1-671.
16018-MAG-L01
Unavailable
8
LEVER, CHOKE This part replaces 16019-KN5-671.
16019-KCE-671
Unavailable
8
LEVER, CHOKE This part replaces 16019-KN5-672.
16019-KCE-671
Unavailable
9
NEEDLE SET, JET | Use from Engine SN PD8AD A
16027-MN1-671
Unavailable
9
NEEDLE SET, JET | Use up to Engine SN PD8AA A
16027-MN1-671
Unavailable
9
NEEDLE SET, JET | Use from Engine SN PD8AD A This part replaces 16012-MN1-751.
16027-MN1-671
Unavailable
10
SCREW SET B
16028-MN1-671
Unavailable
11
LINK SET, THROTTLE This part replaces 16032-MN1-671.
16032-MAG-L01
Unavailable
13
CARBURETOR ASSY. (PD8AD A) | Use up to Engine SN 5401259 This part replaces 16100-MN1-671.
16100-MN1-771
Unavailable
13
CARBURETOR ASSY. (PD8AD A)
16100-MN1-771
Unavailable
14
VALVE, THROTTLE
16112-MN1-671
Unavailable
15
STAY, WIRE
16119-MN1-671
Unavailable
31
JET, MAIN (#155) JET, MAIN (#158) | (Optional). This part replaces 99101-357-1550.
99113-GHB-1550
$9.41
31
JET, MAIN (#158) JET, MAIN (#172) | (Optional). This part replaces 99101-357-1580.
99113-GHB-1580
$9.44
31
JET, MAIN (#172) JET, MAIN (#155) | (Optional). This part replaces 99113-GHB-1720.
99101-357-1720
$9.41
32
JET, SLOW (#60) | Use up to Engine SN PD8AA A
99103-437-0600
Unavailable
32
JET, SLOW (#60) | (Optional). Use from Engine SN PD8AD A
99103-437-0600
Unavailable
32
JET, SLOW (#62) | (Optional). Use up to Engine SN PD8AA A
99103-437-0620
Unavailable
32
JET, SLOW (#62) | Use from Engine SN PD8AD A
99103-437-0620
Unavailable
32
JET, SLOW (#58) | (Optional). This part replaces 99103-437-0580.
99103-KCY-0580
Unavailable
32
JET, SLOW (#65) | (Optional).
99103-437-0650
Unavailable
32
JET, SLOW (#68) | (Optional).
99103-437-0680
Unavailable
