- Partiron
- OEM Parts
- Honda
- MOTORCYCLE
- 1985
- XR600RA (85) MOTORCYCLE, JPN, VIN# JH2PE040-FK000024 TO JH2PE040-FK003185
FRONT FORK 85-87
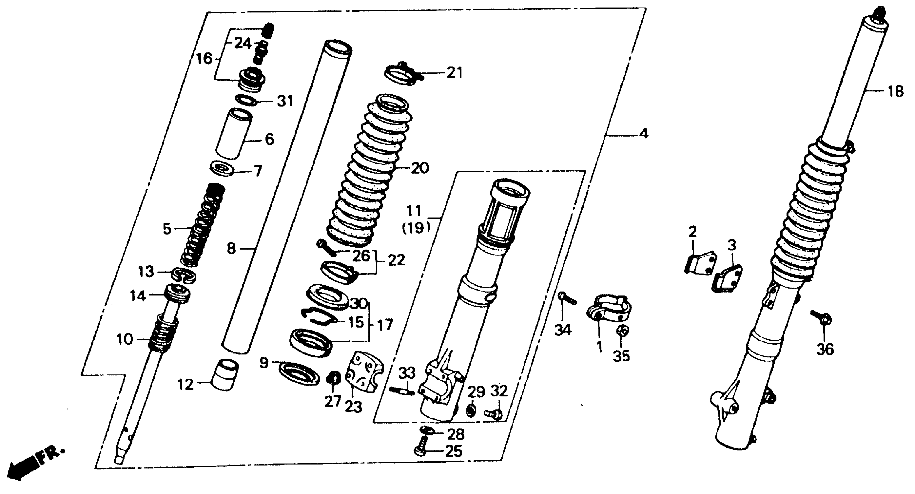
Honda XR600RA (85) MOTORCYCLE, JPN, VIN# JH2PE040-FK000024 TO JH2PE040-FK003185 FRONT FORK 85-87 Diagram
#
Description
Price
1
CLAMP, SPEEDOMETER CABLE (NOT AVAILABLE)
44832-MG3-000
Unavailable
2
CLAMP A, FR. BRAKE CABLE
45461-KG0-000
Unavailable
3
CLAMP B, FR. BRAKE CABLE
45462-KG0-000
Unavailable
4
FORK ASSY., R. FR. (SHOWA)
51400-MK2-003
Unavailable
5
SPRING, FR. FORK (NOT AVAILABLE)
51401-MK2-003
Unavailable
6
SPACER, SPRING (SHOWA)
51404-KA4-731
Unavailable
8
PIPE, FR. FORK (NOT AVAILABLE)
51410-MK2-003
Unavailable
10
SPRING, FR. REBOUND
51416-KA4-711
Unavailable
11
CASE, R. (LOWER)
51420-MK2-003
Unavailable
12
PIECE, OIL LOCK
51432-KF0-003
Unavailable
13
RING, PISTON (SHOWA)
51437-KA4-711
Unavailable
14
PIPE, SEAT
51440-MK2-003
Unavailable
16
BOLT ASSY., FR. FORK (SHOWA) (NOT AVAILABLE)
51450-KA4-711
Unavailable
18
FORK ASSY., L. FR. (SHOWA)
51500-MK2-003
Unavailable
19
CASE, L. (LOWER)
51520-MK2-003
Unavailable
24
CORE, VALVE
52426-381-771
Unavailable
