- Partiron
- OEM Parts
- Honda
- MOTORCYCLE
- 1985
- XR350RA (85) MOTORCYCLE, JPN, VIN# JH2PE040-FK000015 TO JH2PE040-FK205671
SHOCK ABSORBER 85
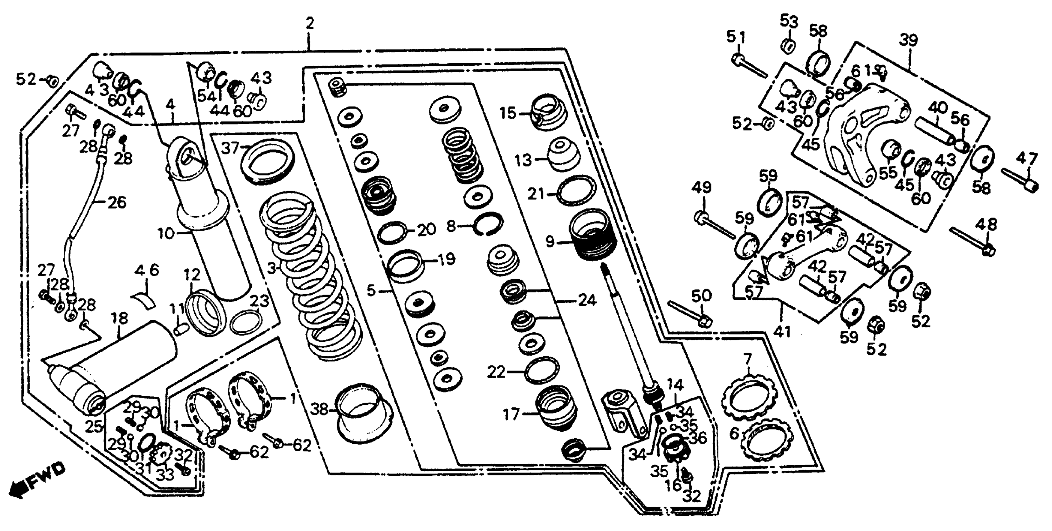
Honda XR350RA (85) MOTORCYCLE, JPN, VIN# JH2PE040-FK000015 TO JH2PE040-FK205671 SHOCK ABSORBER 85 Diagram
#
1
BAND, SUB-TANK (NOT AVAILABLE)
50252-KN5-670
Unavailable
2
SHOCK ABSORBER ASSY. (NOT AVAILABLE)
52400-KN5-003
Unavailable
3
SPRING, RR. SHOCK ABSORBER (NOT AVAILABLE)
52401-KN5-003
Unavailable
4
DAMPER, RR. (NOT AVAILABLE)
52410-KN5-003
Unavailable
5
ROD, PISTON (NOT AVAILABLE)
52421-KN5-003
Unavailable
6
ADJUSTER, SPRING (NOT AVAILABLE)
52422-KN5-003
Unavailable
7
NUT, ADJUSTER
52423-KA3-711
Unavailable
8
RING D, STOPPER (NOT AVAILABLE)
52423-MK2-771
Unavailable
9
SEAT, SPRING (NOT AVAILABLE)
52424-MK2-771
Unavailable
10
CASE, SHOCK ABSORBER (NOT AVAILABLE)
52425-KN5-003
Unavailable
12
CAP, SUB-TANK (NOT AVAILABLE)
52427-KN5-003
Unavailable
13
RUBBER, STOPPER (NOT AVAILABLE)
52427-MK2-771
Unavailable
14
PLATE SET, ADJUSTING (NOT AVAILABLE)
52428-KN5-003
Unavailable
15
PLATE, END (NOT AVAILABLE)
52428-MK2-771
Unavailable
16
PLATE, ADJUSTING (NOT AVAILABLE)
52429-KN5-003
Unavailable
17
CASE, ROD GUIDE (NOT AVAILABLE)
52429-MK2-771
Unavailable
18
TANK ASSY., RESERVOIR (NOT AVAILABLE)
52430-KN5-003
Unavailable
19
RING, PISTON (NOT AVAILABLE)
52431-KF0-003
Unavailable
20
O-RING C (2.0X29.5)
52432-KF0-003
Unavailable
21
O-RING (2.0X47.5) (NOT AVAILABLE)
52432-MK2-771
Unavailable
22
O-RING D (3.5X29.7) (NOT AVAILABLE)
52434-KF0-003
Unavailable
23
RING, STOPPER
52435-KF0-003
Unavailable
24
OIL SEAL SET
52436-MK2-771
Unavailable
25
PLATE SET, ADJUSTING (NOT AVAILABLE)
52438-KN5-003
Unavailable
26
HOSE, JOINT (NOT AVAILABLE)
52440-KN5-003
Unavailable
27
BOLT, OIL (10X22)
52441-KA3-711
Unavailable
29
SPRING, CLICK (NOT AVAILABLE)
52445-KN5-003
Unavailable
30
BALL (NOT AVAILABLE)
52446-KF0-003
Unavailable
31
O-RING (2X23.5) (NOT AVAILABLE)
52447-KF0-003
Unavailable
33
PLATE, ADJUSTING (NOT AVAILABLE)
52449-KF0-771
Unavailable
37
SEAT B, SPRING (NOT AVAILABLE)
52458-KN5-003
Unavailable
38
SEAT C, SPRING (SHOWA) (NOT AVAILABLE)
52459-KN5-003
Unavailable
39
ARM ASSY., CUSHION
52460-KN5-000
Unavailable
41
ROD ASSY., RUBBER CONNECTING
52470-KN5-000
Unavailable
43
COLLAR, SHOCK ABSORBER (NOT AVAILABLE)
52486-KN5-003
Unavailable
46
LABEL, RR. DAMPER CAUTION (NOT AVAILABLE)
87516-KF0-003
Unavailable
47
BOLT, SOCKET (12X100) This part replaces 90128-KN5-000.
90128-MV1-000
Unavailable
47
BOLT, SOCKET (12X100)
90128-MV1-000
Unavailable
49
BOLT, FLANGE (10X69) This part replaces 90151-KF0-000.
90151-KV6-910
Unavailable
49
BOLT, FLANGE (10X69)
90151-KV6-910
Unavailable
50
BOLT, FLANGE (10X48)
90153-KA3-730
Unavailable
60
DUST SEAL B
91351-KN5-003
Unavailable
