- Partiron
- OEM Parts
- Honda
- MOTORCYCLE
- 1985
- XR350RA (85) MOTORCYCLE, JPN, VIN# JH2PE040-FK000015 TO JH2PE040-FK205671
FRONT FORK 84-85
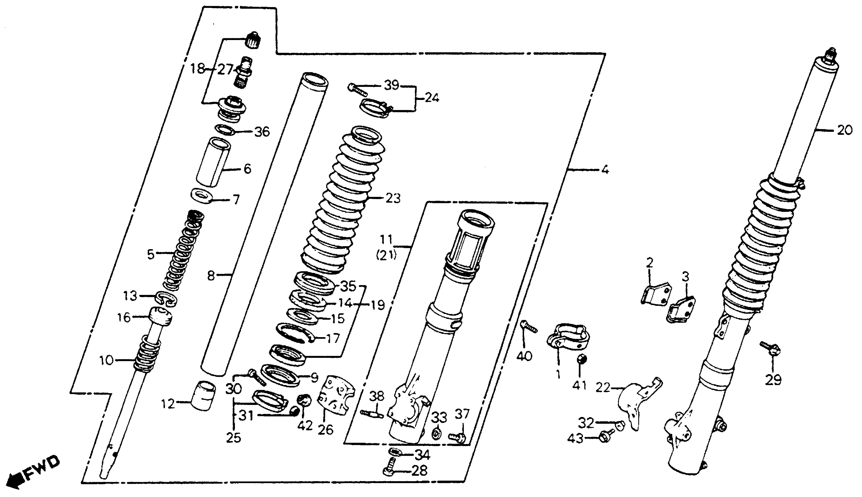
Honda XR350RA (85) MOTORCYCLE, JPN, VIN# JH2PE040-FK000015 TO JH2PE040-FK205671 FRONT FORK 84-85 Diagram
#
Description
Price
1
CLAMP, SPEEDOMETER CABLE (NOT AVAILABLE)
44832-KF0-000
Unavailable
2
CLAMP A, FR. BRAKE CABLE
45461-KG0-000
Unavailable
3
CLAMP B, FR. BRAKE CABLE
45462-KG0-000
Unavailable
4
FORK ASSY., R. FR. *PB5L* (FIJI BLUE) (NOT AVAILABLE)
51400-KN5-003ZA
Unavailable
5
SPRING, FR. FORK (NOT AVAILABLE)
51401-KN5-003
Unavailable
6
COLLAR, SPRING
51402-MG2-701
Unavailable
8
PIPE, FR. FORK (NOT AVAILABLE)
51410-KN5-003
Unavailable
9
RING, BACK-UP
51412-KF0-003
Unavailable
11
CASE, R. (LOWER) (NOT AVAILABLE)
51420-KN5-003
Unavailable
12
PIECE, OIL LOCK
51432-KF0-003
Unavailable
13
RING, PISTON
51437-KF0-003
Unavailable
16
PIPE, SEAT (NOT AVAILABLE)
51440-KN5-003
Unavailable
18
BOLT ASSY., FR. FORK (NOT AVAILABLE)
51450-KF0-003
Unavailable
19
SEAL SET, FR. FORK
51490-KN5-305
Unavailable
20
FORK ASSY., L. FR. *PB5L* (FIJI BLUE) (NOT AVAILABLE)
51500-KN5-003ZA
Unavailable
21
CASE, L. (LOWER) (NOT AVAILABLE)
51520-KN5-003
Unavailable
23
BOOT, FR. FORK *PB5L* (FIJI BLUE) (NOT AVAILABLE) This part replaces 51611-MG2-701ZB.
51611-MG2-702ZB
Unavailable
23
BOOT, FR. FORK *PB5L* (FIJI BLUE) (NOT AVAILABLE)
51611-MG2-702ZB
Unavailable
27
CORE, VALVE
52426-381-771
Unavailable
30
SCREW, PAN (3.5X15) (NOT AVAILABLE)
90202-KA4-711
Unavailable
35
DUST SEAL, FR. FORK (NOT AVAILABLE)
91254-KN5-003
Unavailable
