- Partiron
- OEM Parts
- Honda
- MOTORCYCLE
- 1993
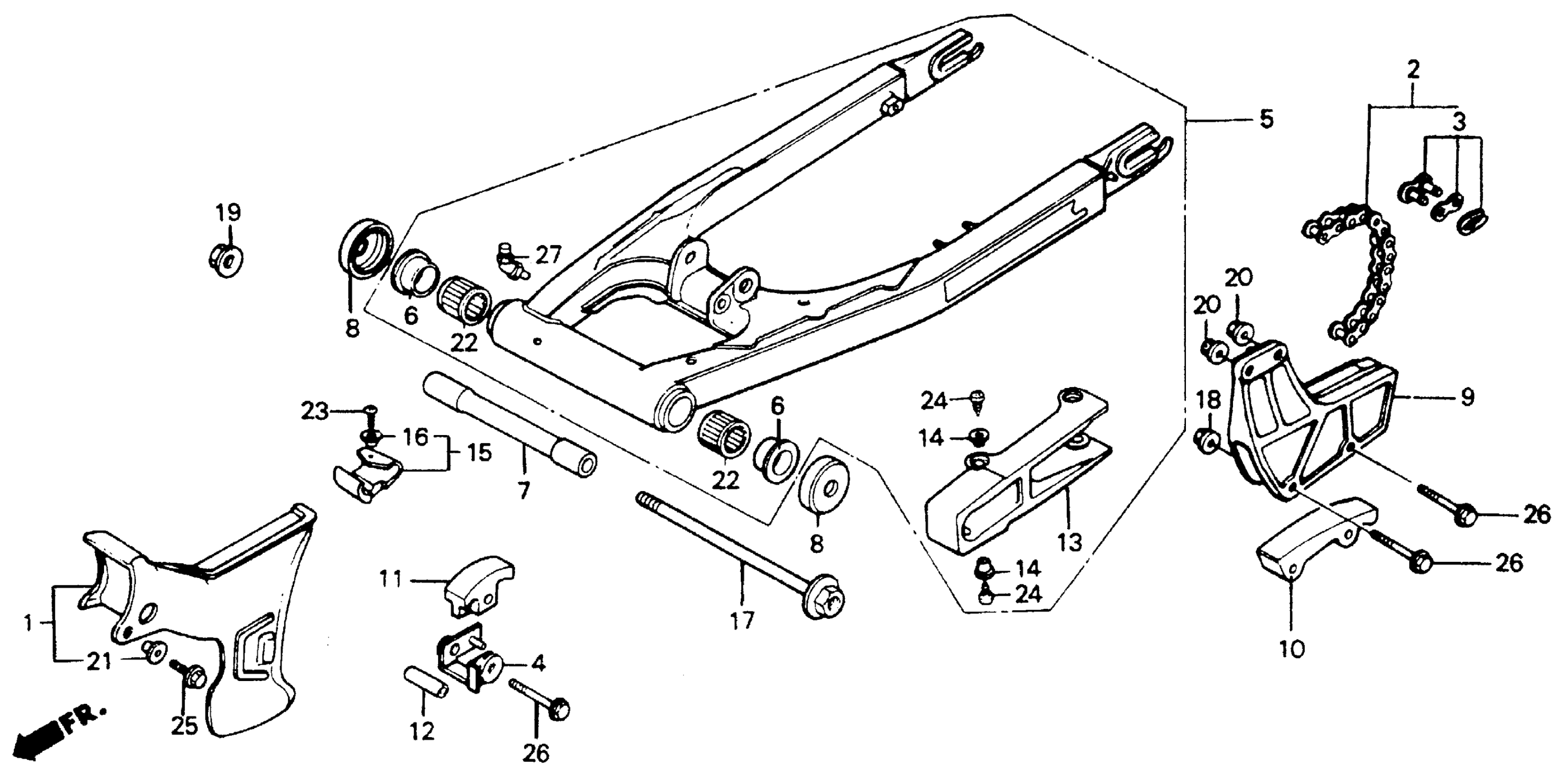
- XR200RA (93) MOTORCYCLE, JPN, VIN# JH2ME050-PK700001
SWINGARM
Honda XR200RA (93) MOTORCYCLE, JPN, VIN# JH2ME050-PK700001 SWINGARM Diagram
#
Description
Price
1
CASE, DRIVE CHAIN
40510-KK0-000
Unavailable
2
CHAIN, DRIVE (520K0-108FJ) This part replaces 40530-KK0-003.
405W3-MN1-505
Unavailable
2
CHAIN, DRIVE (520K0-108FJ) This part replaces 40530-KK0-005.
405W3-MN1-505
Unavailable
3
MASTER LINK (TAKASAGO)
40531-KF0-005
Unavailable
4
STAY, TENSIONER
50143-MA0-770
Unavailable
5
SWINGARM ASSY.
52100-KT0-870
Unavailable
7
COLLAR, SWINGARM CENTER
52141-KT1-770
Unavailable
9
GUIDE, CHAIN
52146-KT0-770
Unavailable
12
COLLAR, CHAIN ROLLER
52159-169-000
Unavailable
