- Partiron
- OEM Parts
- Honda
- MOTORCYCLE
- 1993
- XR200RA (93) MOTORCYCLE, JPN, VIN# JH2ME050-PK700001
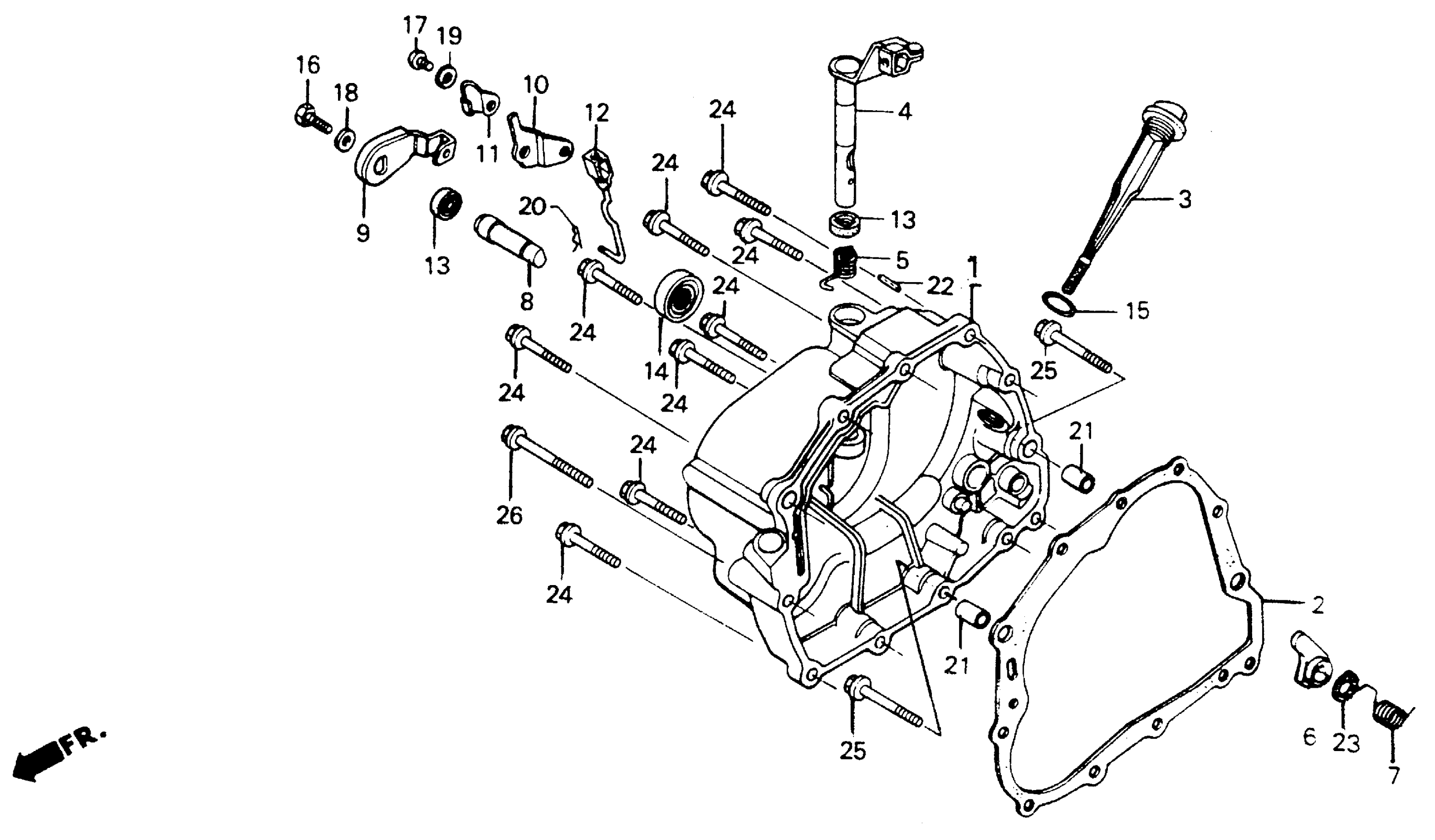
RIGHT CRANKCASE COVER 86-93
Honda XR200RA (93) MOTORCYCLE, JPN, VIN# JH2ME050-PK700001 RIGHT CRANKCASE COVER 86-93 Diagram
#
Description
Price
1
COVER, R. CRANKCASE
11330-KT0-830
Unavailable
4
LEVER, CLUTCH
22810-KF9-900
Unavailable
6
FOLLOWER, CAM
28271-427-000
Unavailable
7
SPRING, FOLLOWER
28274-427-000
Unavailable
8
SHAFT, FOLLOWER
28281-427-000
Unavailable
9
ARM, CAM FOLLOWER (NOT AVAILABLE)
28282-KF9-900
Unavailable
10
RECEIVER, DECOMPRESSION CABLE (LOWER) (NOT AVAILABLE)
28287-KT0-010
Unavailable
11
CLAMP, DECOMPRESSION RECEIVER
28288-KF9-900
Unavailable
12
ROD, DECOMPRESSION
28289-KT0-000
Unavailable
