- Partiron
- OEM Parts
- Honda
- MOTORCYCLE
- 1993
- XR200RA (93) MOTORCYCLE, JPN, VIN# JH2ME050-PK700001
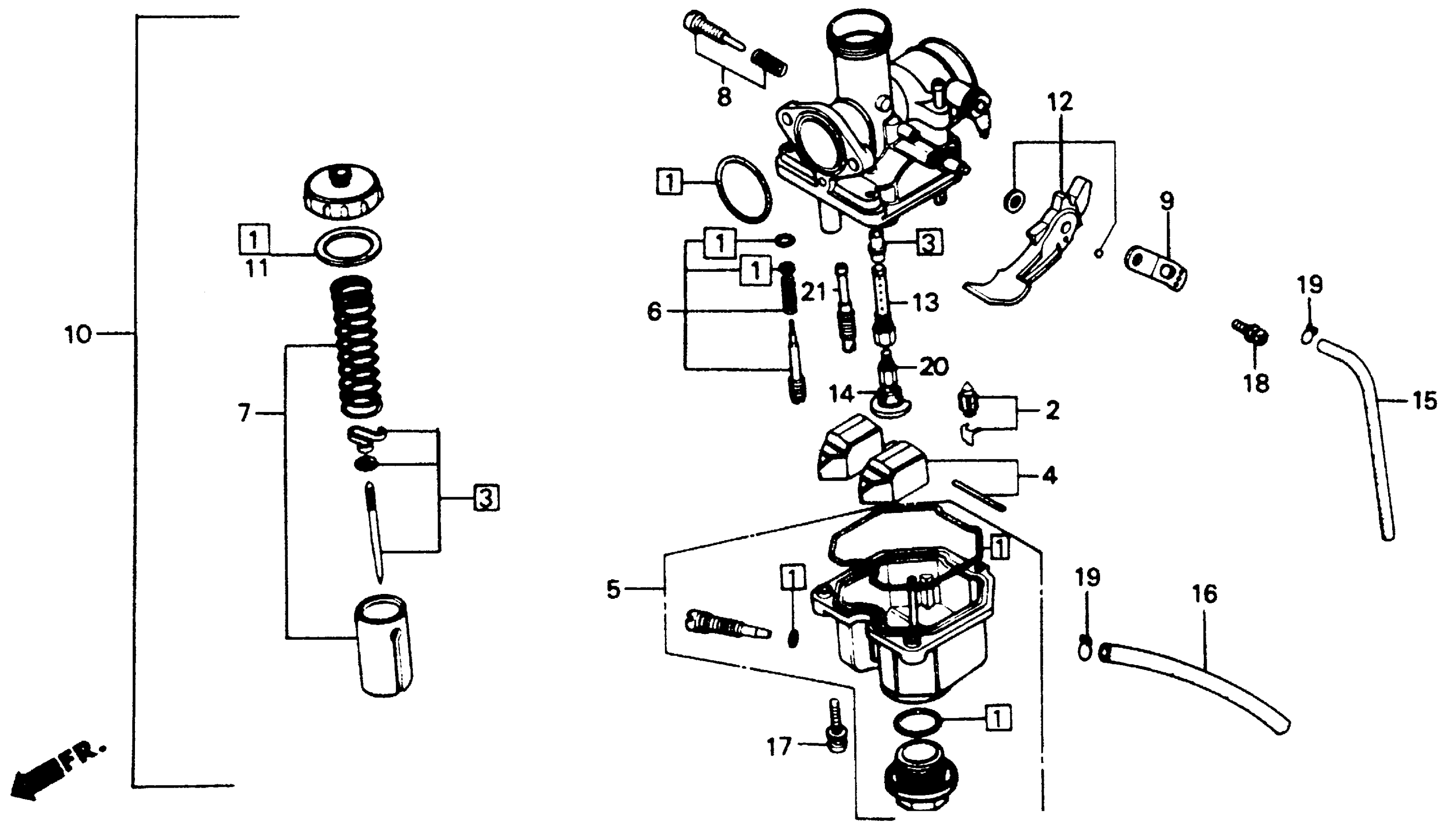
CARBURETOR 86-93
Honda XR200RA (93) MOTORCYCLE, JPN, VIN# JH2ME050-PK700001 CARBURETOR 86-93 Diagram
#
Description
Price
3
NEEDLE SET, JET (NOT AVAILABLE)
16012-382-620
Unavailable
5
CHAMBER SET, FLOAT This part replaces 16015-KA6-004.
16015-KCE-671
Unavailable
5
CHAMBER SET, FLOAT This part replaces 16015-KCE-670.
16015-KCE-671
Unavailable
5
CHAMBER SET, FLOAT
16015-KCE-671
Unavailable
7
VALVE SET, THROTTLE This part replaces 16022-KA2-014.
16022-KT0-A10
Unavailable
7
VALVE SET, THROTTLE
16022-KT0-A10
Unavailable
9
PLATE, SETTING (NOT AVAILABLE)
16035-446-771
Unavailable
10
CARBURETOR ASSY. (PD97A B) (NOT AVAILABLE)
16100-KT0-034
Unavailable
11
GASKET, TOP
16110-HB5-004
Unavailable
12
LEVER, CHOKE (NOT AVAILABLE)
16135-KA8-671
Unavailable
13
HOLDER, NEEDLE JET
16165-446-305
Unavailable
