- Partiron
- OEM Parts
- Honda
- MOTORCYCLE
- 1991
- XR200RA (91) MOTORCYCLE, JPN, VIN# JH2ME050-MK600001
LEFT CRANKCASE COVER 86-93
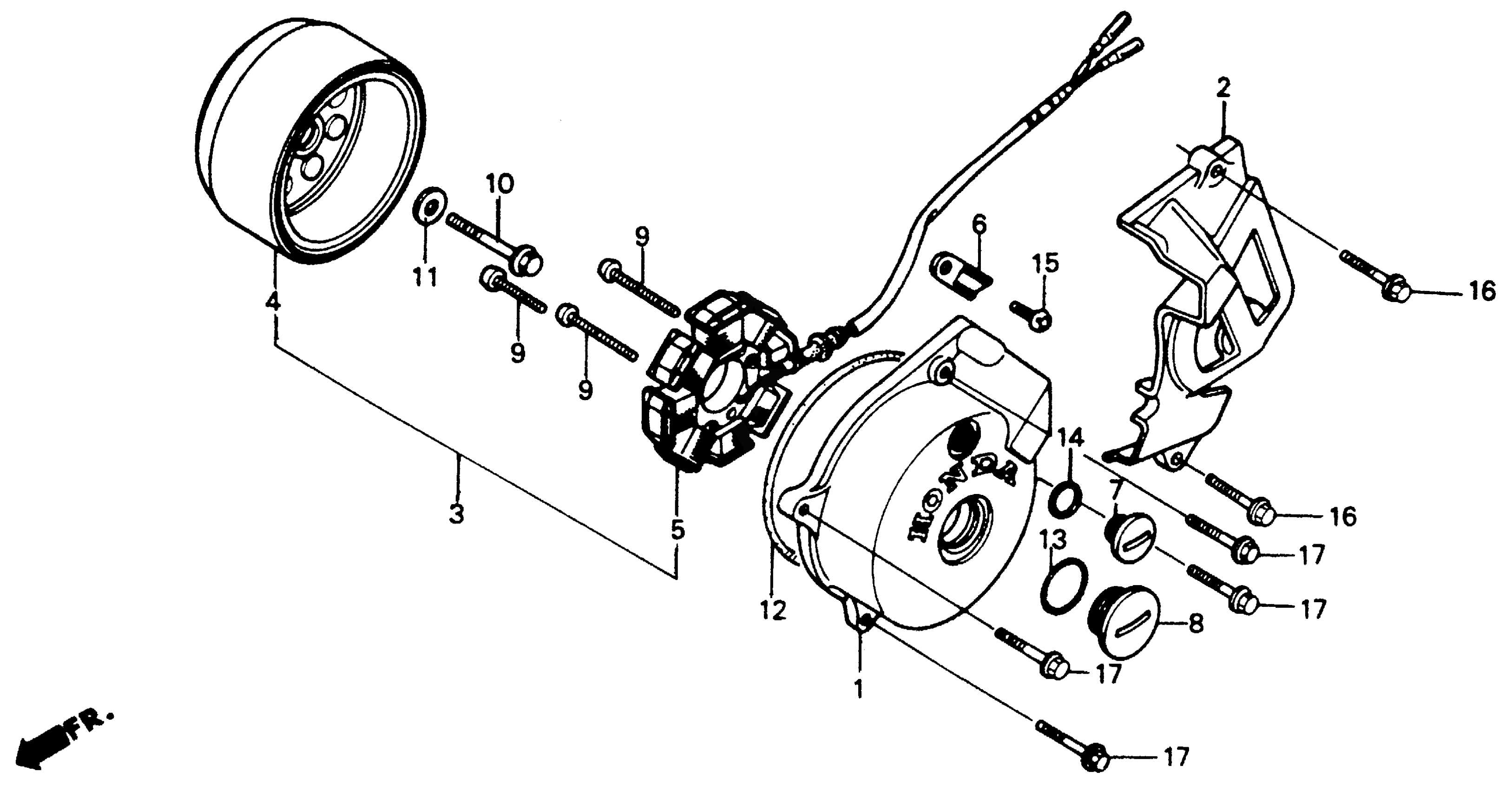
Honda XR200RA (91) MOTORCYCLE, JPN, VIN# JH2ME050-MK600001 LEFT CRANKCASE COVER 86-93 Diagram
#
Description
Price
1
COVER, L. CRANKCASE
11341-KT0-830
Unavailable
2
COVER, L. RR. CRANKCASE
11360-KT0-830
Unavailable
3
GENERATOR ASSY., FLYWHEEL TYPEA.C. (DENSO) (NOT AVAILABLE)
31100-KT0-831
Unavailable
4
FLYWHEEL (DENSO)
31110-KT0-004
Unavailable
5
STATOR (DENSO)
31120-KT0-831
Unavailable
7
CAP, ALTERNATOR This part replaces 90084-428-000.
90084-471-000
Unavailable
7
CAP, ALTERNATOR
90084-471-000
Unavailable
8
CAP (30MM) This part replaces 90087-428-000.
90087-KF9-900
Unavailable
10
BOLT, UBS (8X45)
90112-KT0-000
Unavailable
12
O-RING (127.5X2.8)
91302-KG2-951
Unavailable
