- Partiron
- OEM Parts
- Honda
- MOTORCYCLE
- 1985
- XR100RA (85) MOTORCYCLE, JPN, VIN# JH2HE030-FK400005 TO JH2HE030-FK409365
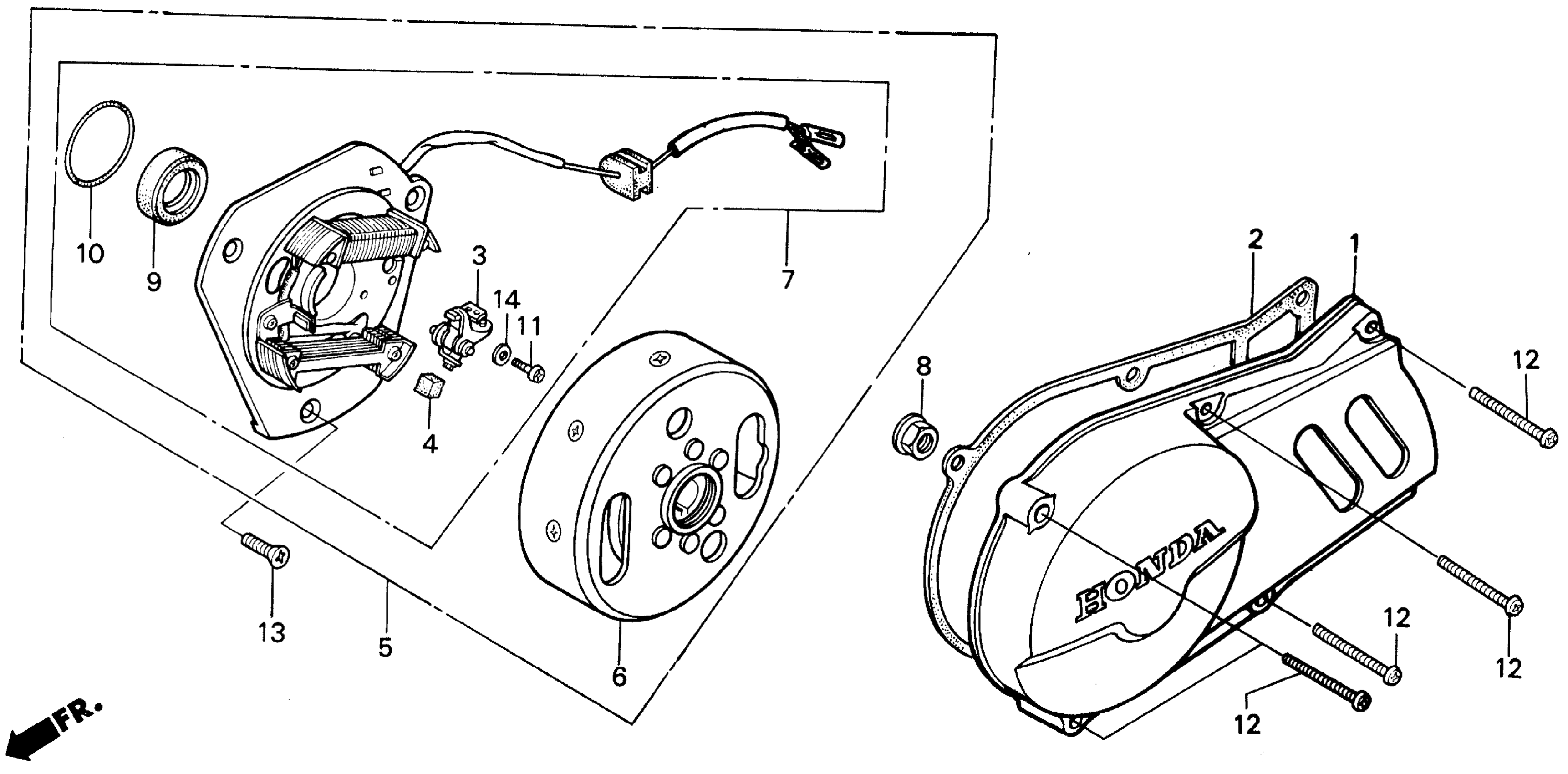
LEFT CRANKCASE COVER
Honda XR100RA (85) MOTORCYCLE, JPN, VIN# JH2HE030-FK400005 TO JH2HE030-FK409365 LEFT CRANKCASE COVER Diagram
#
Description
Price
1
COVER SET, L. CRANKCASE This part replaces 11341-GN1-000.
11340-GN1-306
Unavailable
5
ALTERNATOR ASSY., FLYWHEEL TYPE (HITACHI) (NOT AVAILABLE) | Use from Engine SN 5409046.
31100-KA9-005
Unavailable
5
ALTERNATOR ASSY., FLYWHEEL TYPE (NOT AVAILABLE) | Use up to Engine SN 5409045.
31100-KN4-000
Unavailable
6
FLYWHEEL (HITACHI)
31110-KA9-005
Unavailable
7
STATOR (HITACHI) | Use from Engine SN 5409046.
31120-KA9-005
Unavailable
7
STATOR (NOT AVAILABLE) | Use up to Engine SN 5409045.
31120-KN4-000
Unavailable
12
SCREW, PAN (6X35) (NOT AVAILABLE)
93500-06035-0G
Unavailable
