- Partiron
- OEM Parts
- Honda
- MOTORCYCLE
- 2002
- XR100RA (02) MOTORCYCLE, JPN, VIN# JH2HE030-2K100001
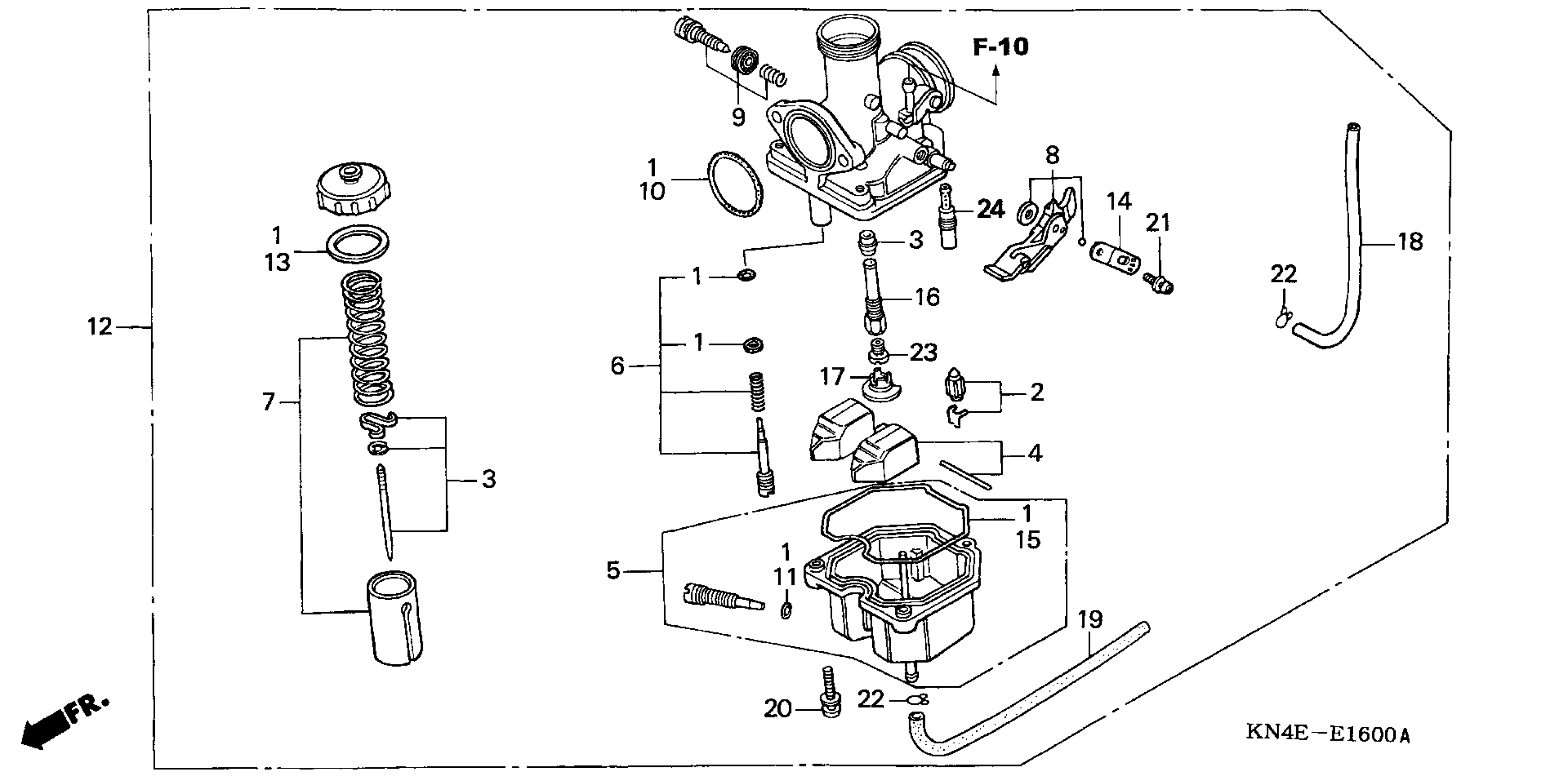
CARBURETOR
Honda XR100RA (02) MOTORCYCLE, JPN, VIN# JH2HE030-2K100001 CARBURETOR Diagram
#
Description
Price
CARBURETOR
#
Edit ride
