- Partiron
- OEM Parts
- Polaris
- ATV
- 1997
- XPRESS 300 - W97CA28C
ENGINE MOUNTING (300) XPRESS 300 W97CA28C (4939603960A011)
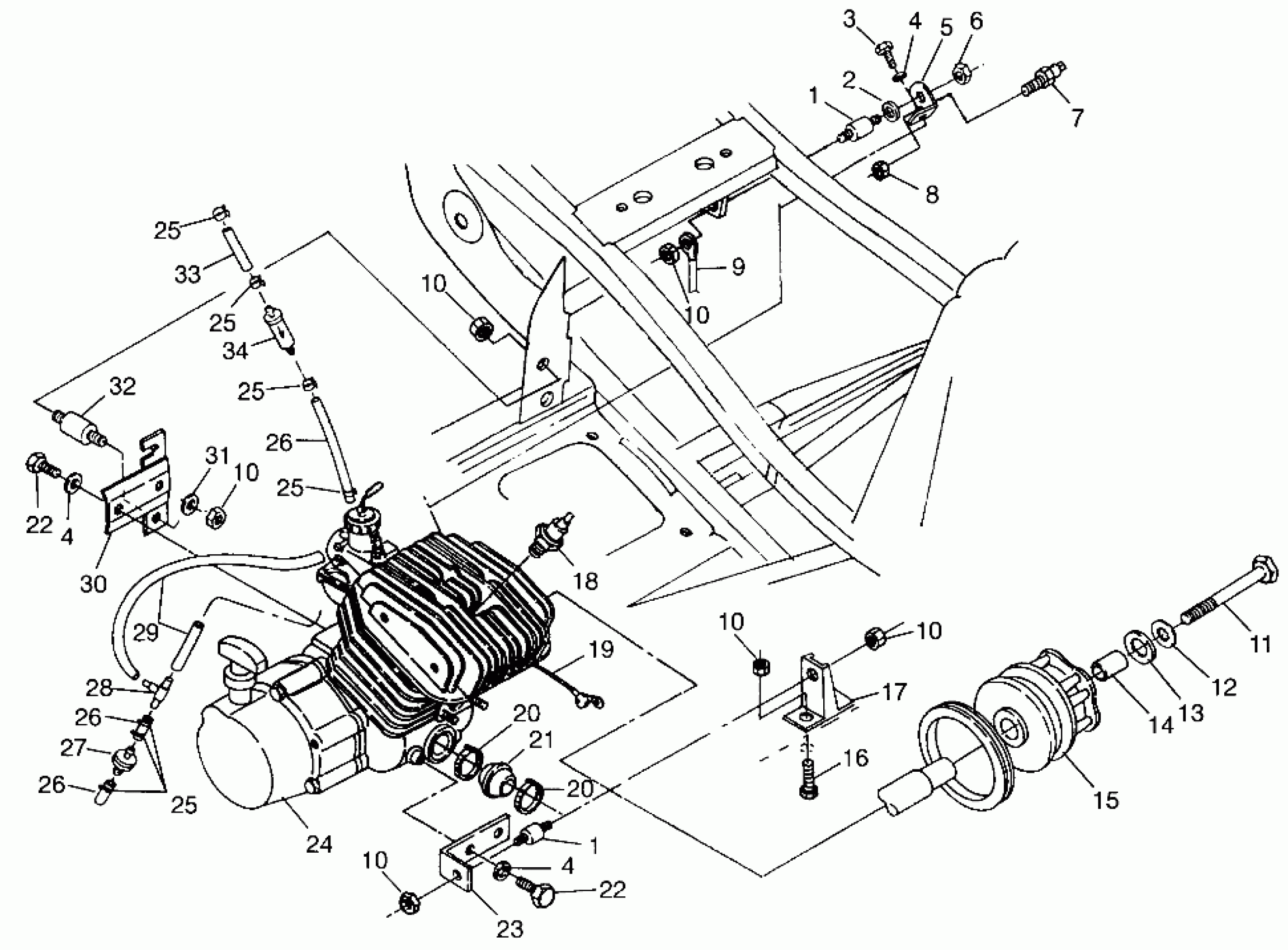
Polaris XPRESS 300 - W97CA28C ENGINE MOUNTING (300) XPRESS 300 W97CA28C (4939603960A011) Diagram
#
Description
Price
1
MOUNT,MOTOR
3110026
Unavailable
1
MOUNT,MOTOR
3110026
Unavailable
5
MOUNT,ENG,TOP
5241799-067
Unavailable
7
THERMOSTAT,COOL.FAN Substituted by 4010211
4110114
Unavailable
9
CABLE,GROUND/ENG.
4010067
Unavailable
15
Asm., Drive Clutch, ATV-06 (See Pg. NO TAG, Ref. NO TAG)
-------
Unavailable
17
MOUNT,ENG,LOW,BLK
1040532-067
Unavailable
19
CABLE,SOLENOID/STARTER
4010064
Unavailable
23
MT,FR.ENGINE,300,BLK.
5242229-067
Unavailable
24
ENG.(S.B.)EC28PF-SB Substituted by 1211654 NOTE: The Short Block assembly contains a crankcase assembly, cylinder and cylinder head assembly, and a piston & crankshaft assembly. Prior authorization r
3084720
Unavailable
26
FUEL LINE,1/4 ID(600 CM.)
8450040-600
Unavailable
26
FUEL LINE,1/4 ID(600 CM.)
8450040-600
Unavailable
26
FUEL LINE,1/4 ID(600 CM.)
8450040-600
Unavailable
27
CHECKVALVE,VENT Substituted by 7051011
7052047
Unavailable
28
Fitting, Tee
7052005
Unavailable
29
FUEL LINE,1/8 ID,600 CM.
8360009-600
Unavailable
30
MT,REAR,(300),BLK.
5241176-067
Unavailable
32
MOUNT, MOTOR
3110028
Unavailable
33
HOSE,FUEL,1/4 IN.
5411272
Unavailable
