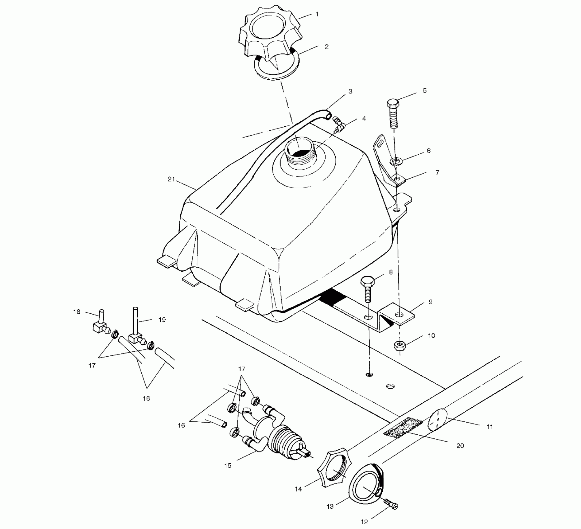
Polaris XPLORER - A00AG25CA FUEL TANK - A00AG25CA (4954865486A011) Diagram
#
Description
Price
3
FUEL LINE,1/8 ID,600 CM.
8360009-600
Unavailable
7
BRKT,LH.R.FUELCOVER,BLK.
5222154-067
Unavailable
7
BRKT,RH.R.FUELCOVER,BLK.
5222155-067
Unavailable
9
BRKT,R.TANK MT,BLK.
5220916-067
Unavailable
11
Decal - Fuel Lever (See Decals Pg A8, Ref. 10)
-------
Unavailable
13
KNOB,FUEL VALVE CONTOURED,ATV
5433431
Unavailable
14
NUT,FUELVALVE,ATV
5432733
Unavailable
16
FUEL LINE,1/4 ID(600 CM.)
8450040-600
Unavailable
16
FUEL LINE,1/4 ID(600 CM.)
8450040-600
Unavailable
18
FITTING,FUEL OUT,90DEG,RES,Z
7052148
Unavailable
19
ELBOW, MAIN
7052147
Unavailable
20
PAD,FUELTANK BRKT. Substituted by 8360026
5810317
Unavailable
21
FUELTANK,90-,PERPENDICULR (Incl. 4,18) (If built after 8/16/99)
1240082
Unavailable
21
FUEL TANK,W/ FITTINGS Substituted by 1240082 (Incl. 4,18) (If built before 8/16/99)
1240048
Unavailable
