- Partiron
- OEM Parts
- Polaris
- ATV
- 1997
- XPLORER 500 - W97CD50A
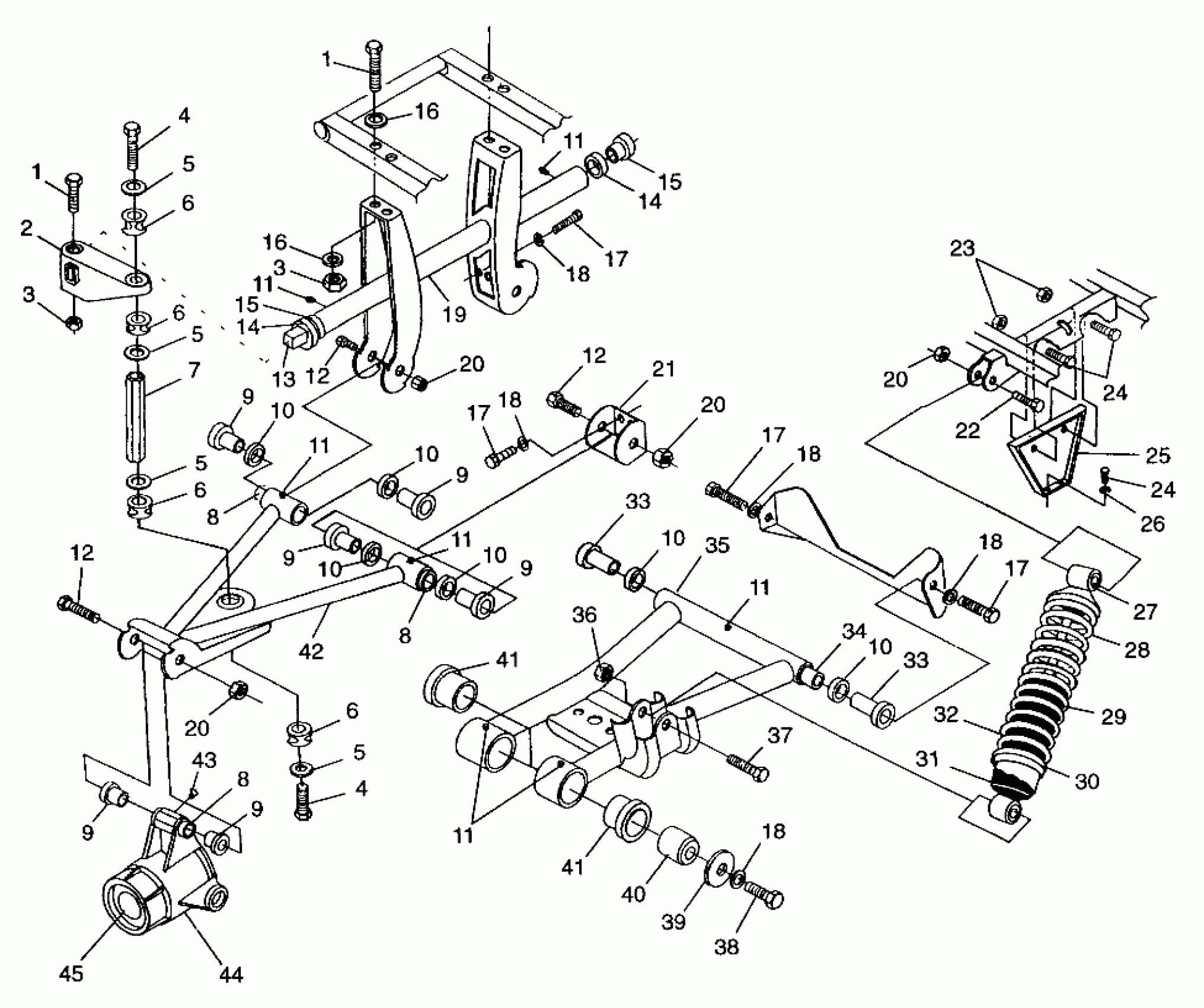
REAR SUSPENSION XPLORER 500 W97CD50A (4941354135C005)
Polaris XPLORER 500 - W97CD50A REAR SUSPENSION XPLORER 500 W97CD50A (4941354135C005) Diagram
#
Description
Price
13
BAR,STAB.TUBE,BLK.
5333393-067
Unavailable
14
WASHER(10)
7555939
Unavailable
14
WASHER(10)
7555939
Unavailable
15
BUSHING,STAB.TUBE Substituted by 5433413
5432169
Unavailable
15
BUSHING,STAB.TUBE Substituted by 5433413
5432169
Unavailable
17
BOLT(10) Substituted by 7512492
7515458
Unavailable
17
BOLT(10) Substituted by 7512492
7515458
Unavailable
17
BOLT(10) Substituted by 7512492
7515458
Unavailable
17
BOLT(10) Substituted by 7512492
7515458
Unavailable
19
SUPPORT,STABILIZER, BLK Substituted by 1541322-067
1580097-067
Unavailable
21
BRKT,A-ARM,PIVOT,BLK
5242077-067
Unavailable
27
RETAINER,SPRING
5131533
Unavailable
32
ADAPTER,SPRING,SEAT
5630351
Unavailable
33
BUSHING,A-ARM,LONG. Substituted by 5433066
5431596
Unavailable
33
BUSHING,A-ARM,LONG. Substituted by 5433066
5431596
Unavailable
34
Shaft, A-Arm
5020681
Unavailable
35
CONTROL,LH,LOW,BLK
1040445-067
Unavailable
35
CONTROL,RH,LOW,BLK.
1040446-067
Unavailable
41
BUSHING,CONTROL,LOWER Substituted by 5433065
5432092
Unavailable
41
BUSHING,CONTROL,LOWER Substituted by 5433065
5432092
Unavailable
42
ARM,LH,UP.CONTROL,BLK
1040586-067
Unavailable
43
FITTING,LUBE,45 DEG.(10)
7080586
Unavailable
45
BEARING,CARRIER,WHEEL
3585502
Unavailable
