- Partiron
- OEM Parts
- Polaris
- ATV
- 1997
- XPLORER 500 - W97CD50A
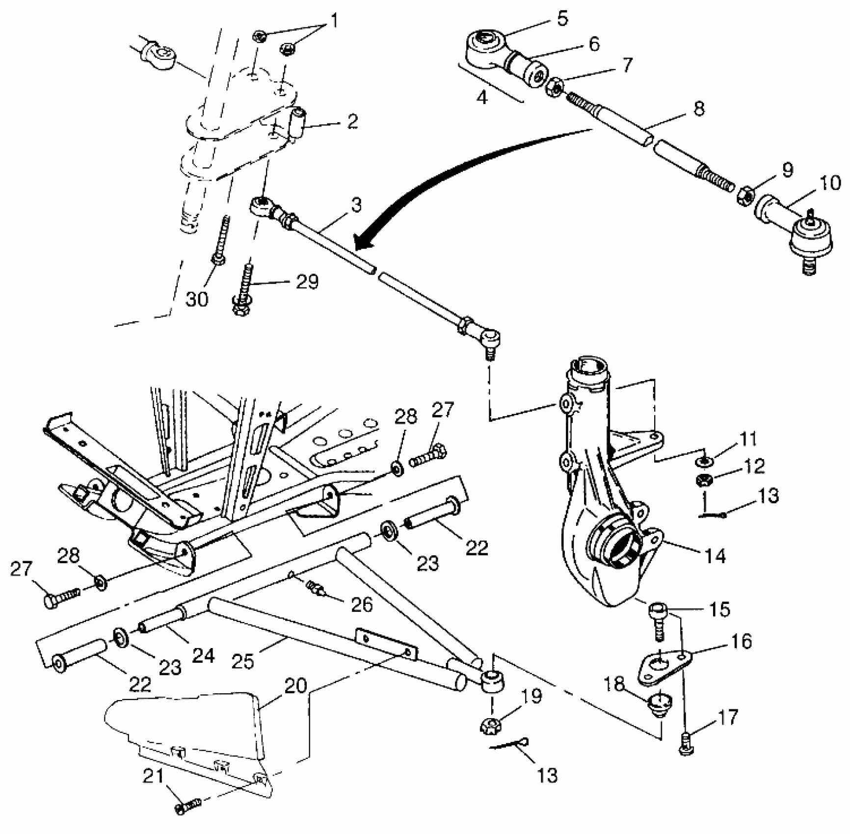
A-ARM/STRUT MOUNTING XPLORER 500 W97CD50A (4941354135C002)
Polaris XPLORER 500 - W97CD50A A-ARM/STRUT MOUNTING XPLORER 500 W97CD50A (4941354135C002) Diagram
#
Description
Price
3
TIE ROD ASM. Substituted by 1822478 (Incl. 5-10)
1822202
Unavailable
6
ROD END,RH.THRD.
7061015
Unavailable
9
NUT, LH, 10 MM.(10)
7546902
Unavailable
14
Asm., Hubstrut (See Pg. A21, Ref. 16)
-------
Unavailable
18
Boot, Rubber
5410548
Unavailable
20
SHIELD,LH.CV,BLK.
5431837
Unavailable
20
SHIELD,RH.CV,BLK.
5431838
Unavailable
22
BUSHING,A-ARM,LONG. Substituted by 5433066
5431596
Unavailable
22
BUSHING,A-ARM,LONG. Substituted by 5433066
5431596
Unavailable
24
Shaft, A-Arm
5020681
Unavailable
27
BOLT(10) Substituted by 7512492
7515458
Unavailable
27
BOLT(10) Substituted by 7512492
7515458
Unavailable
29
SCREW(10)
7515554
Unavailable
