- Partiron
- OEM Parts
- Polaris
- ATV
- 1998
- XPLORER 400L - W98CC38C
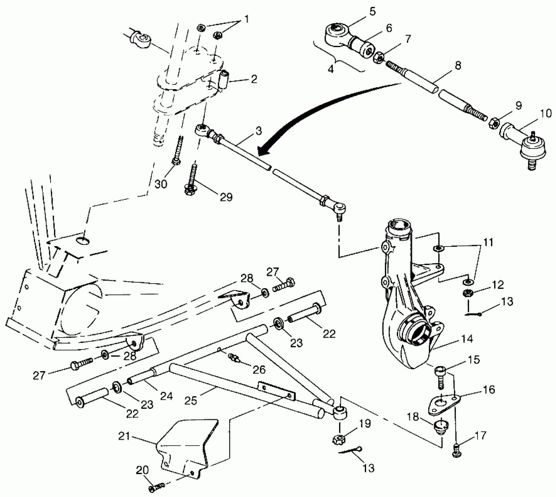
A-ARM/STRUT MOUNTING XPLORER 400L W98CC38C (4945414541B013)
Polaris XPLORER 400L - W98CC38C A-ARM/STRUT MOUNTING XPLORER 400L W98CC38C (4945414541B013) Diagram
#
Description
Price
5
SEAL,BOOT,ROD END,1/2 IN
5411291
Unavailable
6
ROD END Substituted by 7061034
7061019
Unavailable
10
ROD END,LH,W/FTG. Substituted by 7061033
7061018
Unavailable
14
Asm., Hubstrut, 32mm, Heavy (See Pg. A20, Ref. 16)
-------
Unavailable
18
Boot, Rubber
5410548
Unavailable
21
SHIELD,LH CV JOINT Substituted by 5431150-070
5431150
Unavailable
22
BUSHING,A-ARM,LONG. Substituted by 5433066
5431596
Unavailable
22
BUSHING,A-ARM,LONG. Substituted by 5433066
5431596
Unavailable
24
Shaft, A-Arm
5020681
Unavailable
27
BOLT(10) Substituted by 7512492
7515458
Unavailable
27
BOLT(10) Substituted by 7512492
7515458
Unavailable
29
SCREW(10)
7515554
Unavailable
