- Partiron
- OEM Parts
- Polaris
- ATV
- 1997
- XPLORER 400L - W97CC38C
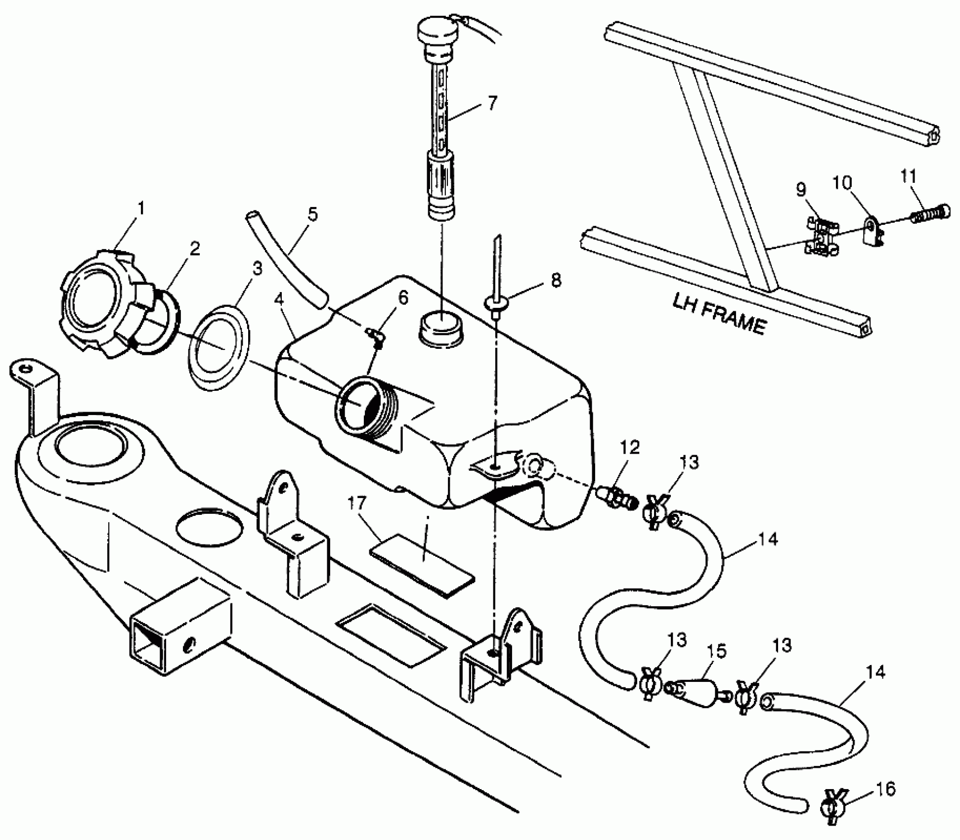
OIL TANK XPLORER 400L W97CC38C (4939753975A014)
Polaris XPLORER 400L - W97CC38C OIL TANK XPLORER 400L W97CC38C (4939753975A014) Diagram
#
Description
Price
3
GROMMET,OIL TANK
5410991
Unavailable
4
TANK,OIL,DRILLED
5431793
Unavailable
5
FUEL LINE,1/8 ID,600 CM.
8360009-600
Unavailable
10
MOUNT,TIE ANCHOR(10)
7080526
Unavailable
14
FUEL LINE,1/4 ID(1525 CM.)
8450003-1525
Unavailable
14
FUEL LINE,1/4 ID(1525 CM.)
8450003-1525
Unavailable
16
CLAMP,OIL LINE(300 ATV)(10)
7080568
Unavailable
17
PAD,BULK FUEL
8360026
Unavailable
