- Partiron
- OEM Parts
- Polaris
- ATV
- 1996
- XPLORER 400L - W969140
COOLING SYSTEM XPLORER 400L W969140 (4935983598A011)
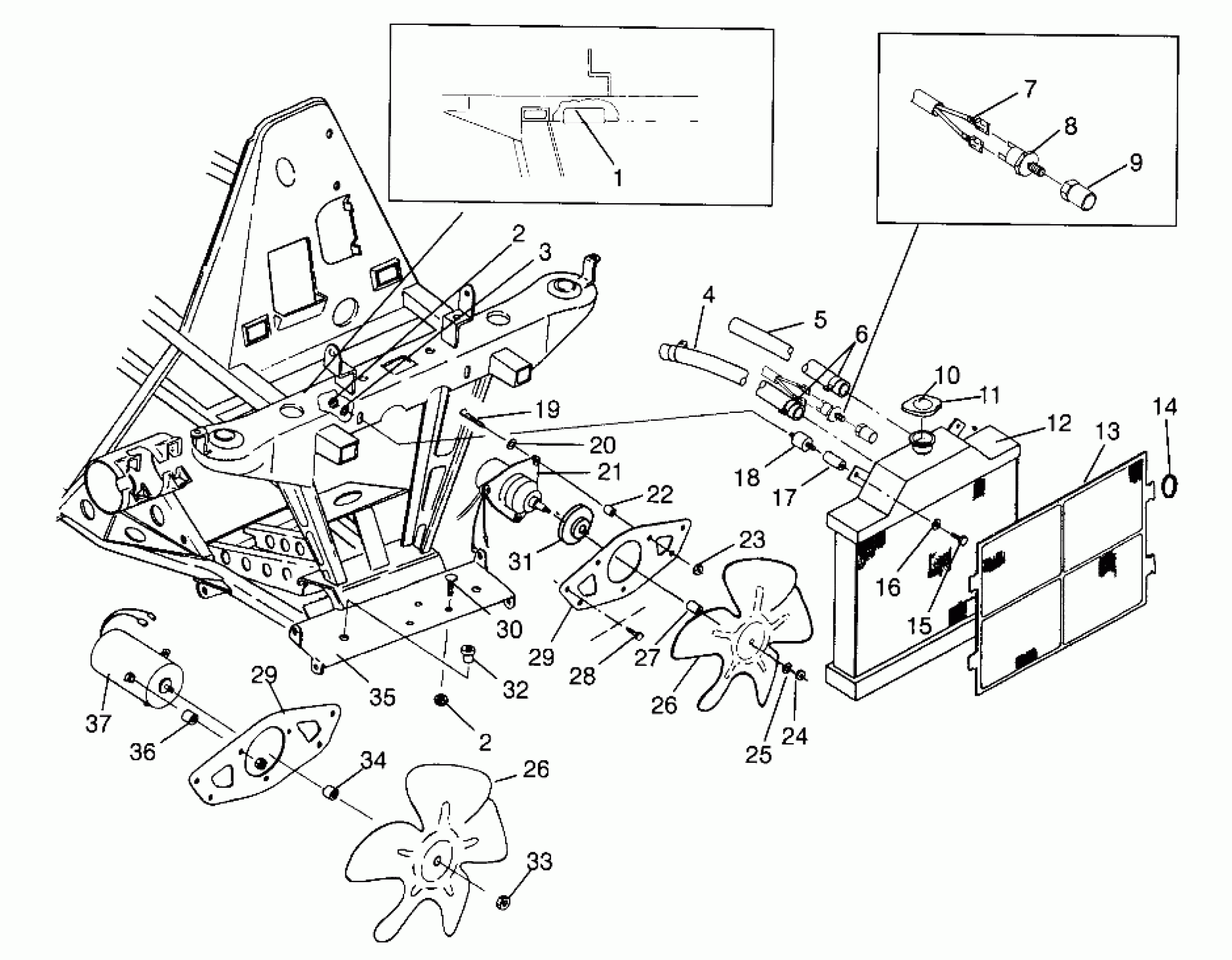
Polaris XPLORER 400L - W969140 COOLING SYSTEM XPLORER 400L W969140 (4935983598A011) Diagram
#
Description
Price
1
EDGE TRIM - BLACK Substituted by 5521131
8360012
Unavailable
4
Hose, Lower Engine (See Pg. A10, Ref. 27)
-------
Unavailable
5
Hose, Upper Engine (See Pg. 16, Ref. 16)
-------
Unavailable
7
HARNESS,FAN/THERM.SWITCH
2460515
Unavailable
9
FITTING,HEX BUSH
7052116
Unavailable
10
DECAL(CPSC),RAD.CAP
7073068
Unavailable
11
CAP, RADIATOR Substituted by 2511270
2511189
Unavailable
12
RADIATOR,"U"FLOW
1240015
Unavailable
13
COVER,RADIATOR,W/MESH
5431760
Unavailable
19
SCREW(10)
7511874
Unavailable
21
MOTOR, FAN Substituted by 3084266 (Fuji)
2410006
Unavailable
24
NUT
3083952
Unavailable
25
WASHER(10) Substituted by 7558301
7555776
Unavailable
27
BUSHING
3083950
Unavailable
29
BRKT,COOL.FAN,BLK
5224741-067
Unavailable
29
BRKT,COOL.FAN,BLK
5224741-067
Unavailable
31
COVER
3083951
Unavailable
33
NUT
7542154
Unavailable
34
SPACER
5333457
Unavailable
35
GUARD,LOW.RADIATOR,BLK.
5240873-067
Unavailable
37
MOTOR,FAN,LIQ.COOLED (Domestic)
4170009
Unavailable
