- Partiron
- OEM Parts
- Polaris
- ATV
- 1999
- XPLORER 400 - A99CG38CA
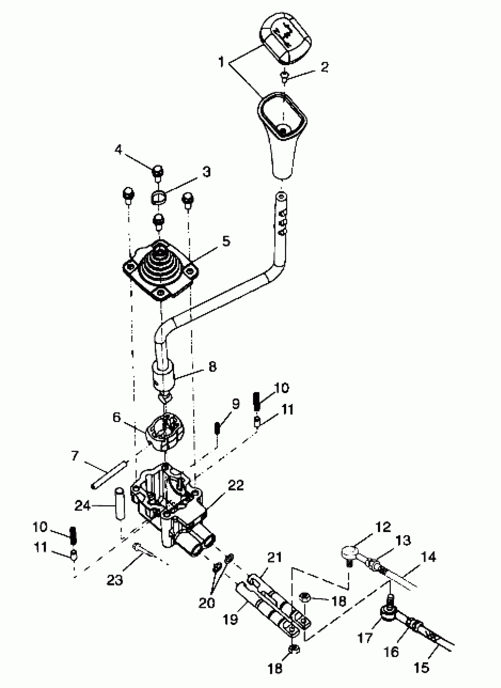
GEAR SELECTOR - A99CG38CA (4949634963C013)
Polaris XPLORER 400 - A99CG38CA GEAR SELECTOR - A99CG38CA (4949634963C013) Diagram
#
Description
Price
-
GEAR,SELECTOR,H/L/R,HYBRID (Incl. 1-11,19-22,24)
1341289
Unavailable
4
Screw
3233649
Unavailable
8
GEAR,SELECTOR,ROD,SUB ASM.
3233647
Unavailable
14
ROD,SHIFT LINKAGE
5020743
Unavailable
15
ROD-SHIFT LINKAGE,.31X11.75
5132042
Unavailable
18
NUT(10) Substituted by 7546703
7546707
Unavailable
18
NUT(10) Substituted by 7546703
7546707
Unavailable
19
SLIDE-LOW
3233639
Unavailable
21
SLIDE-HIGH/REV
3233640
Unavailable
