- Partiron
- OEM Parts
- Polaris
- ATV
- 1999
- XPLORER 400 - A99CG38CA
ENGINE MOUNTING - A99CG38CA (4949634963A011)
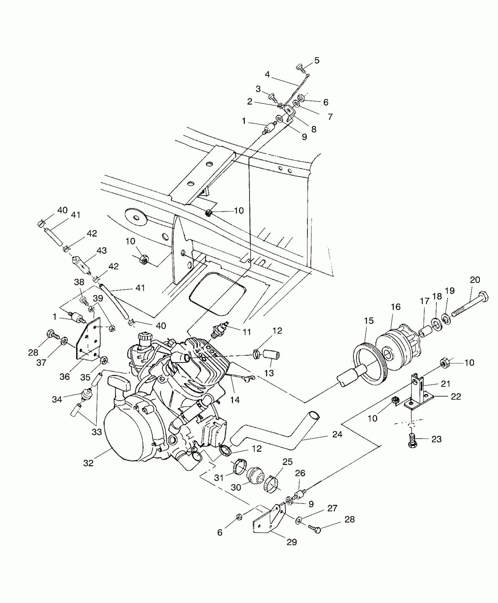
Polaris XPLORER 400 - A99CG38CA ENGINE MOUNTING - A99CG38CA (4949634963A011) Diagram
#
Description
Price
1
MT.,RUBBER,ENG.
3110038
Unavailable
1
MT.,RUBBER,ENG.
3110038
Unavailable
4
CABLE,GND-ENGINE
4010132
Unavailable
8
BRKT,ENG.MT,TOP,BLK,400
5242692-067
Unavailable
14
CABLE,SOL/START,DBLBOOT
4010129
Unavailable
15
Seal, Cover Case (See Clutch Cover Pg. C8, Ref. 1)
-------
Unavailable
16
Asm., Drive Clutch, Basic ATV-06 (See Drive Clutch Pg. C6, Ref. 14)
-------
Unavailable
21
EDGE TRIM-BLACK,04 CM
8360012-04
Unavailable
24
HOSE,FORMED,3/4X21.75,W/ CHAFE
5411637
Unavailable
26
MOUNT,RUBBER,ENG.
3110042
Unavailable
29
MOUNT,ENGINE
1040231-067
Unavailable
32
ENG.EC38PLE08,09,11 [No Longer Available] The Short Block assembly contains a crankcase assembly, cylinder and cylinder head assembly, and a piston & crankshaft assembly. Prior authorization required
3085821
Unavailable
33
FUEL LINE,1/8 ID,600 CM.
8360009-600
Unavailable
34
VENT,CHECKVALVE
7051011
Unavailable
37
WASHER SPRINGLOCK(10) Substituted by 7552603
7553001
Unavailable
41
FUEL LINE,1/4 ID(600 CM.)
8450040-600
Unavailable
41
FUEL LINE,1/4 ID(600 CM.)
8450040-600
Unavailable
