- Partiron
- OEM Parts
- Polaris
- ATV
- 2000
- XPLORER 400 - A00CG38CA
EXHAUST SYSTEM - A00CG38CA (4954875487A013)
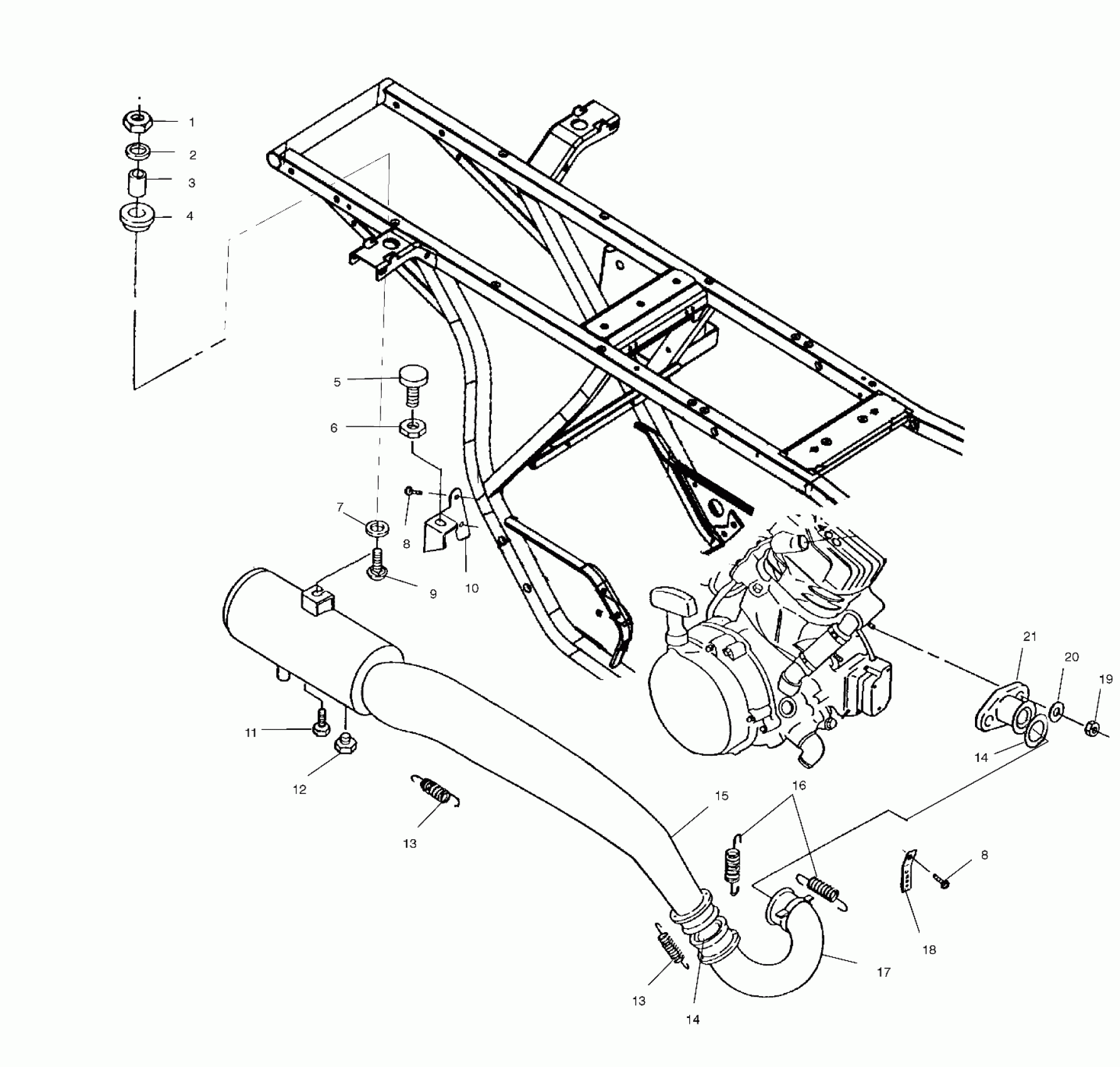
Polaris XPLORER 400 - A00CG38CA EXHAUST SYSTEM - A00CG38CA (4954875487A013) Diagram
#
Description
Price
4
DAMPENER
5410241
Unavailable
5
MOUNT,TORQUE-STOP
3110064
Unavailable
10
BRKT-EXHAUST MOUNT,XPL 400,BLK
5243199-067
Unavailable
15
EXHAUST,XPLORER 400,BLK
1260906-029
Unavailable
18
TAB, SPRINGS
5222665
Unavailable
19
Nut (See Crankcase and Cylinder Pg. D4, Ref. 9)
-------
Unavailable
20
Washer, Lock (See Crankcase and Cylinder Pg. D4, Ref. 10)
-------
Unavailable
21
MANIFOLD,GEN 4,400,BLK
1260902-029
Unavailable
