- Partiron
- OEM Parts
- Polaris
- ATV
- 1996
- XPLORER 300 - W969130
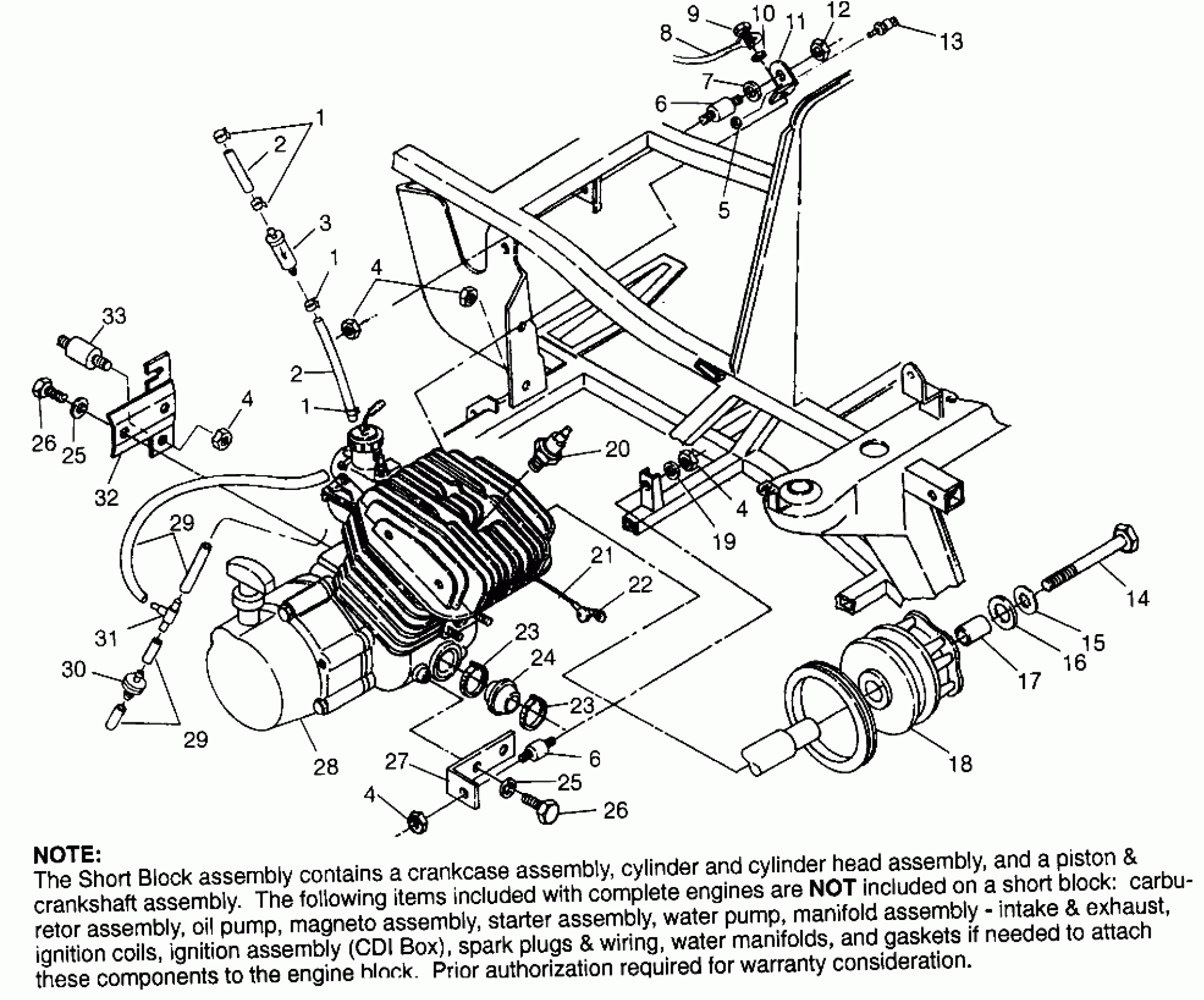
ENGINE MOUNTING XPLORER 300 W969130 (4935903590A010)
Polaris XPLORER 300 - W969130 ENGINE MOUNTING XPLORER 300 W969130 (4935903590A010) Diagram
#
Description
Price
2
FUEL LINE,3/16 ID(600 CM.)
8450042-600
Unavailable
2
FUEL LINE,3/16 ID(600 CM.)
8450042-600
Unavailable
6
MOUNT,MOTOR
3110026
Unavailable
6
MOUNT,MOTOR
3110026
Unavailable
8
CABLE,GROUND/ENG.
4010067
Unavailable
11
MOUNT,ENG.TOP,BLK.
5240704-067
Unavailable
13
THERMOSTAT,COOL.FAN Substituted by 4010211
4110114
Unavailable
18
Asm., Drive Clutch (See Pg.)
-------
Unavailable
21
CABLE,SOLENOID/STARTER
4010064
Unavailable
25
WASHER SPRINGLOCK(10) Substituted by 7552603
7553001
Unavailable
25
WASHER SPRINGLOCK(10) Substituted by 7552603
7553001
Unavailable
27
PLATE,FR.MTR.MT.
5220881-067
Unavailable
28
ENG.(S.B.)EC28PF-SB Substituted by 1211654
3084720
Unavailable
29
FUEL LINE,1/8 ID,600 CM.
8360009-600
Unavailable
29
FUEL LINE,1/8 ID,600 CM.
8360009-600
Unavailable
30
CHECKVALVE,VENT Substituted by 7051011
7052047
Unavailable
31
Fitting, Tee
7052005
Unavailable
32
MT,REAR,(300),BLK.
5241176-067
Unavailable
33
MOUNT, MOTOR
3110028
Unavailable
