- Partiron
- OEM Parts
- Polaris
- ATV
- 1996
- XPLORER 300 - W969130
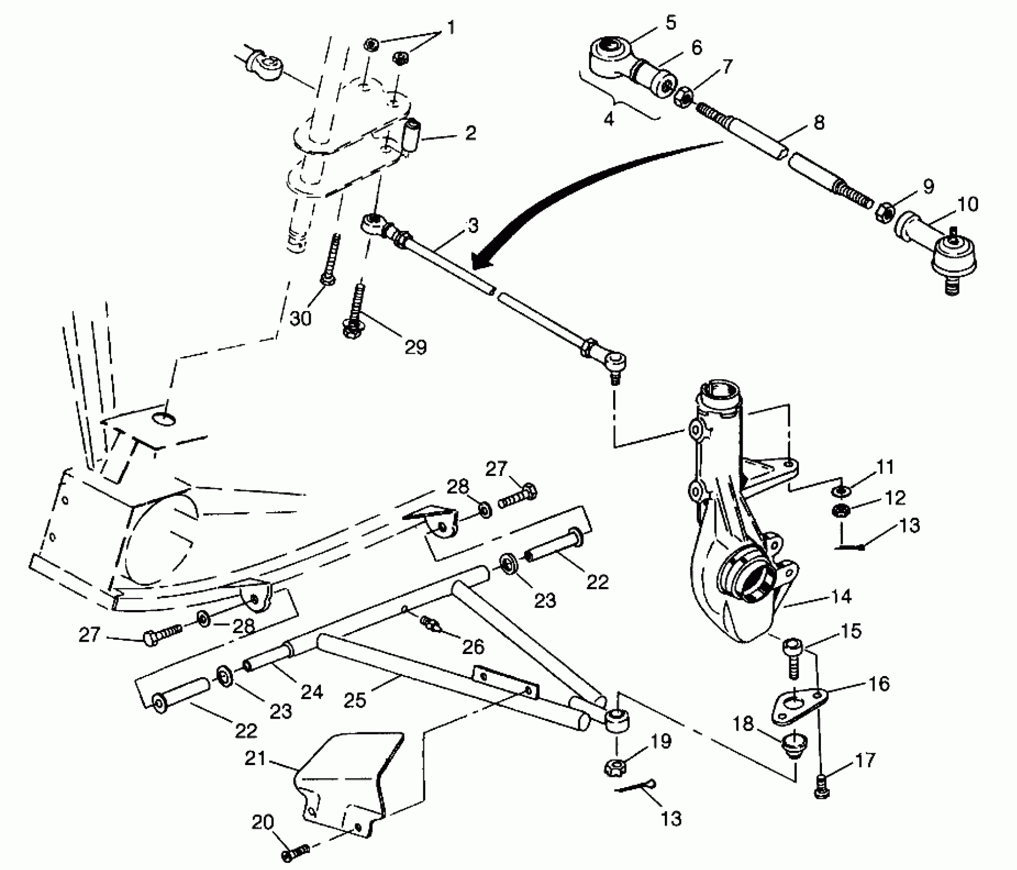
A-ARM/STRUT MOUNTING XPLORER 300 W969130 (4935903590B013)
Polaris XPLORER 300 - W969130 A-ARM/STRUT MOUNTING XPLORER 300 W969130 (4935903590B013) Diagram
#
Description
Price
3
TIE ROD ASM. Substituted by 1822478 (Incl. 5-10)
1822202
Unavailable
6
ROD END, RH Substituted by 1822179
7060149
Unavailable
9
NUT, LH, 10 MM.(10)
7546902
Unavailable
14
Asm., Hub Strut (See Pg., Ref.)
-------
Unavailable
15
BALL JOINT Substituted by 7080673
7080364
Unavailable
18
Boot, Rubber
5410548
Unavailable
21
SHIELD,LH CV JOINT Substituted by 5431150-070
5431150
Unavailable
22
BUSHING,A-ARM,LONG. Substituted by 5433066
5431596
Unavailable
22
BUSHING,A-ARM,LONG. Substituted by 5433066
5431596
Unavailable
24
Shaft, A-Arm
5020681
Unavailable
27
BOLT(10) Substituted by 7512492
7515458
Unavailable
27
BOLT(10) Substituted by 7512492
7515458
Unavailable
29
SCREW(10)
7515554
Unavailable
