Partiron

Polaris XPEDITION 425 - A01CK42AB WATER PUMP - A01CK42AA (4964136413C014) Diagram

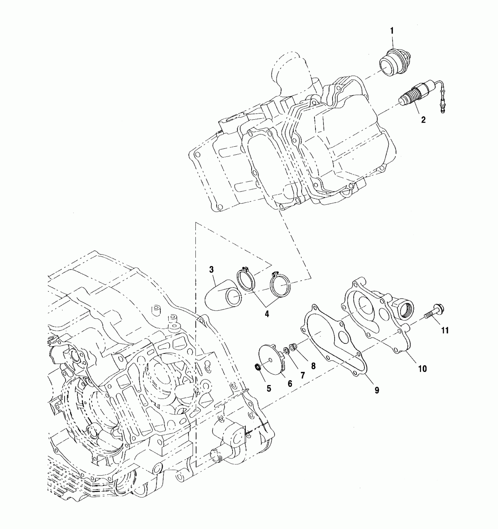
#

Description
Price

1

THERMOSTAT *

3084940

$91.99

2

SWITCH,THERMO. *

3085352

$127.99

3

HOSE,MAIN

3086217

$19.83

4

CLAMP, HOSE Substituted by 3086774

3084191

$12.99

5

WASHER,SEAL

3084942

Unavailable

6

Impeller

3086214

$11.19

7

WASHER(10) Substituted by 7555998

3083138

Unavailable

8

NUT,SELF-LOCK

3085077

$9.59

9

GASKET-WATER PUMP

3086216

$6.63

10

COVER-WATER PUMP

3086215

$49.59

11

BOLT,FLANGE

3086498

$3.19