- Partiron
- OEM Parts
- Polaris
- ATV
- 2001
- XPEDITION 425 - A01CK42AB
ENGINE MOUNTING - A01CK42AA (4964136413A011)
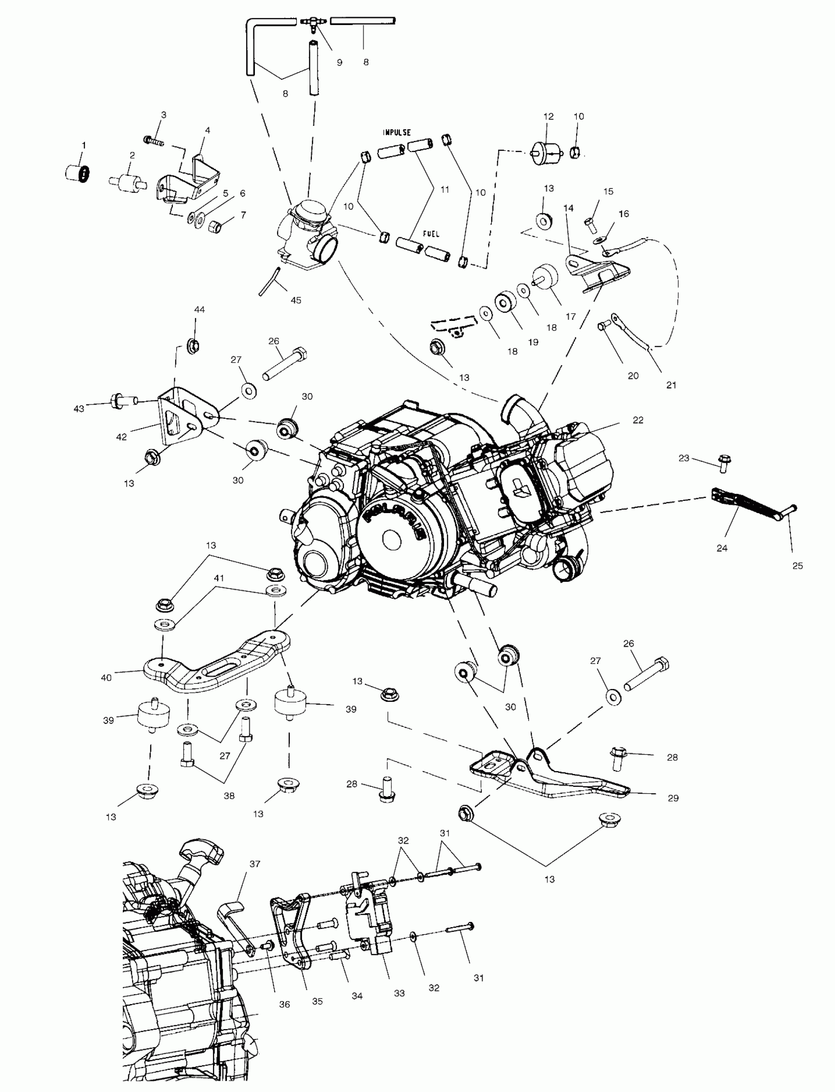
Polaris XPEDITION 425 - A01CK42AB ENGINE MOUNTING - A01CK42AA (4964136413A011) Diagram
#
Description
Price
4
BRKT, CARB.MT.
5240609-067
Unavailable
8
FUEL LINE,1/4 ID(1525 CM.)
8450003-1525
Unavailable
8
FUEL LINE,1/4 ID(1525 CM.)
8450003-1525
Unavailable
11
DESC NOT_AVAILABLE
8450040-60
Unavailable
17
MOUNT-RUBBER,TOP,60 DURO
3021045
Unavailable
19
SPACER-MOTOR MNT TOP
5132007
Unavailable
21
CABLE,GND-ENGINE
4010132
Unavailable
22
ENG.EH42PLE-03 The Short Block assembly contains a crankcase assembly, a cylinder & cylinder head assembly and a piston & crankshaft assembly. Prior authorization is required for warranty considerati
3085824
Unavailable
32
WSHR-.194X.475X.049 ZTB
7555746
Unavailable
32
WSHR-.194X.475X.049 ZTB
7555746
Unavailable
33
ACTUATOR-POLLAK,18-201-01
4010265
Unavailable
36
SCREW
7517653
Unavailable
37
LEVER-REVERSE,BLK
5243586-067
Unavailable
39
MOUNT,RUBBER,TOP
3110044
Unavailable
39
MOUNT,RUBBER,TOP
3110044
Unavailable
45
DESC NOT_AVAILABLE
8360009-100
Unavailable
