- Partiron
- OEM Parts
- Polaris
- ATV
- 2001
- XPEDITION 425 - A01CK42AB
COOLING SYSTEM - A01CK42AA (4964136413A009)
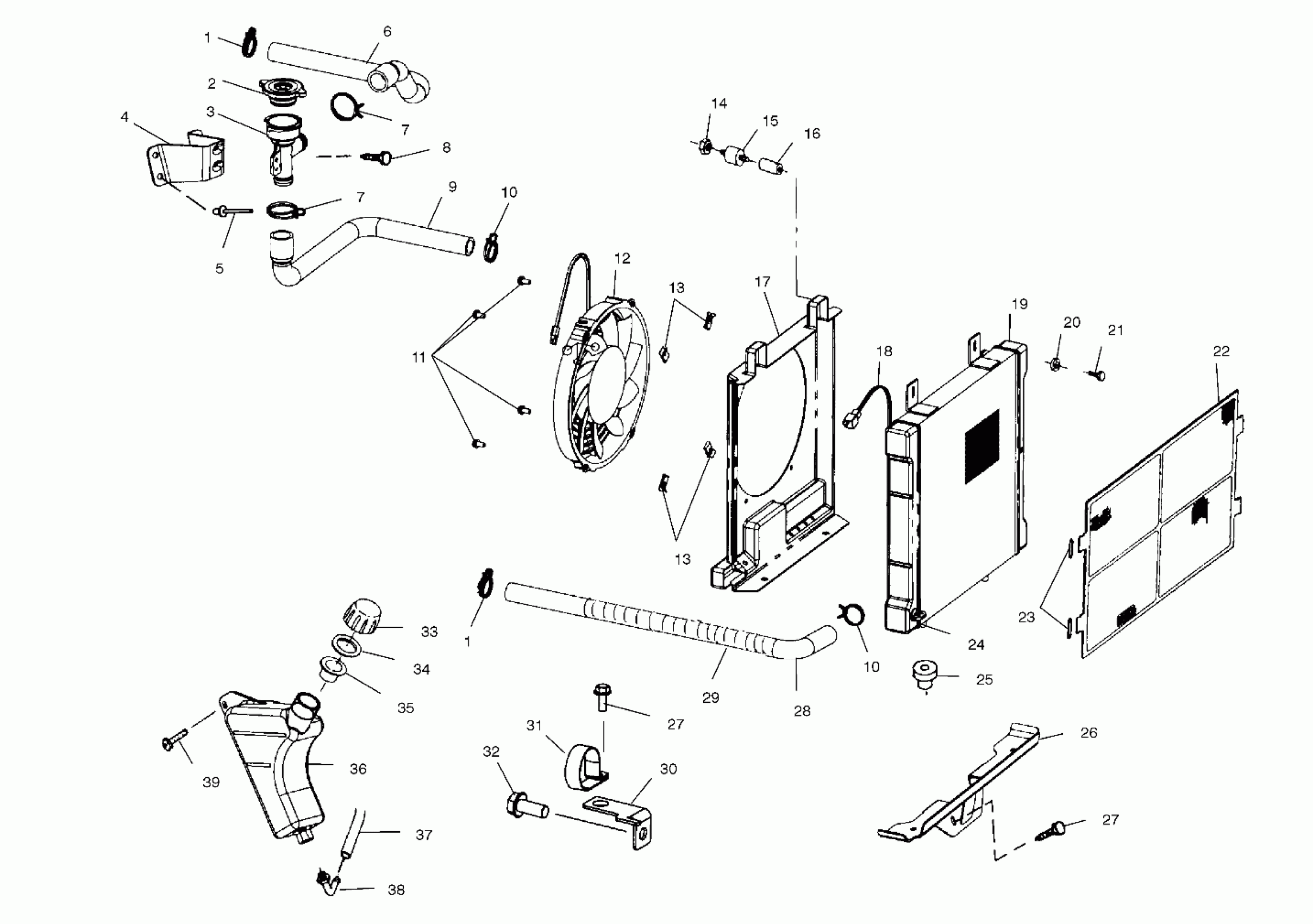
Polaris XPEDITION 425 - A01CK42AB COOLING SYSTEM - A01CK42AA (4964136413A009) Diagram
#
Description
Price
2
CAP-PRESSURE,13 PSI
1240044
Unavailable
4
BRKT,REMOTE COOLANT FILL
5243505-067
Unavailable
6
HOSE,UPPER ENGINE
5411534
Unavailable
7
CLAMP-ROTO SPRING 1"
7080827
Unavailable
7
CLAMP-ROTO SPRING 1"
7080827
Unavailable
9
HOSE,FILLER NECK
5411632
Unavailable
13
CLIP,U,ZY
7670111
Unavailable
13
CLIP,U,ZY
7670111
Unavailable
17
SHROUD-FAN,ATV
5433059
Unavailable
19
Radiator
1240045
Unavailable
24
O-RING,BUNA [No Longer Available]
5411633
Unavailable
24
VALVE-PLASTIC DRAIN
7052244
Unavailable
30
BRACKET-COOLANT HOSE MOUNT,BLK
5244064-067
Unavailable
32
Screw (See Front Housing Pg. C2, Ref. 2)
-------
Unavailable
36
TANK,SURGE
5433410
Unavailable
