- Partiron
- OEM Parts
- Polaris
- ATV
- 2001
- XPEDITION 425 - A01CK42AB
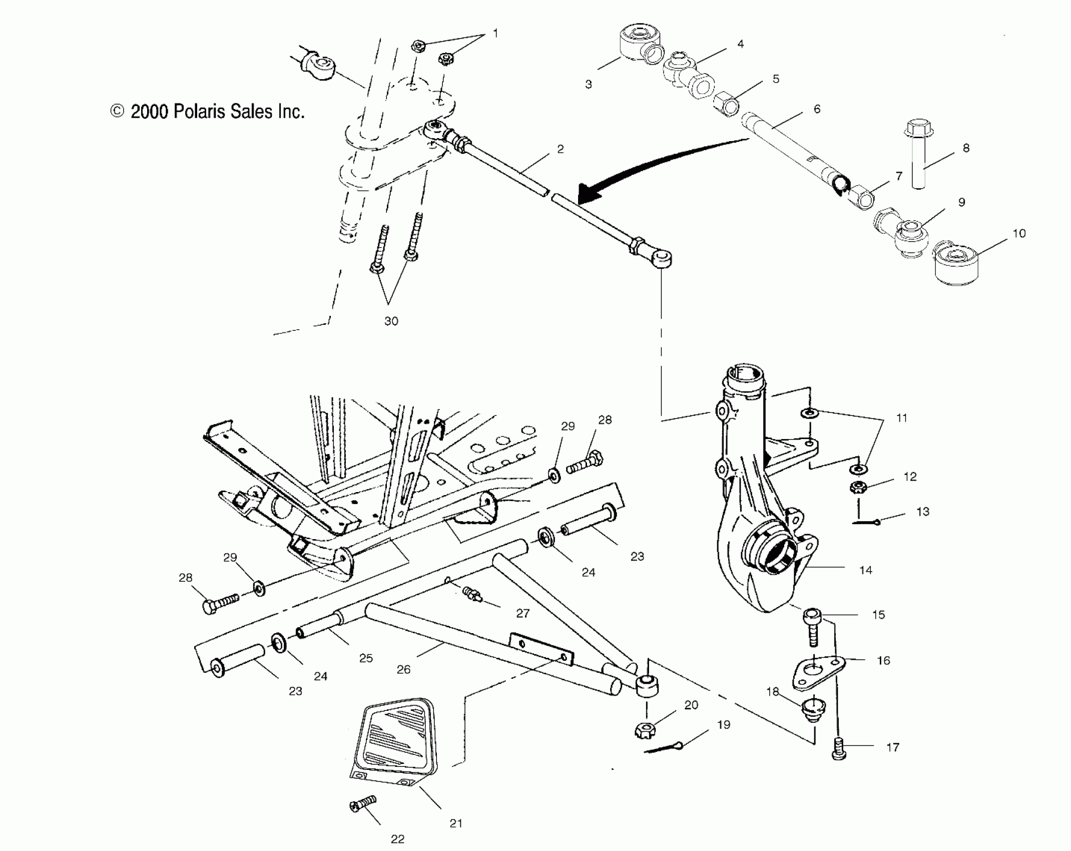
A-ARM/STRUT MOUNTING - A01CK42AA (4964136413B011)
Polaris XPEDITION 425 - A01CK42AB A-ARM/STRUT MOUNTING - A01CK42AA (4964136413B011) Diagram
#
Description
Price
2
TIE,ROD,1/2-20X13.4,ASM. (Incl. 3-9)
1820805
Unavailable
3
SEAL,BOOT,ROD END,1/2 IN
5411291
Unavailable
9
ROD,END,10MM,1/2-20LH,42 DEG
7061054
Unavailable
10
BOOT,SEAL,ROD END,10MM
5411920
Unavailable
14
Asm., Hubstrut (See Front Strut Pg. B3, Ref. 16)
-------
Unavailable
18
Boot, Rubber
5410548
Unavailable
21
SHIELD-CV JOINT,LH,BLK
5431150-070
Unavailable
25
Shaft, A-Arm
5020681
Unavailable
26
A-FRAME,KIT,RH (1541445)
2201610
Unavailable
