- Partiron
- OEM Parts
- Polaris
- ATV
- 2000
- XPEDITION 425 - A00CK42AA
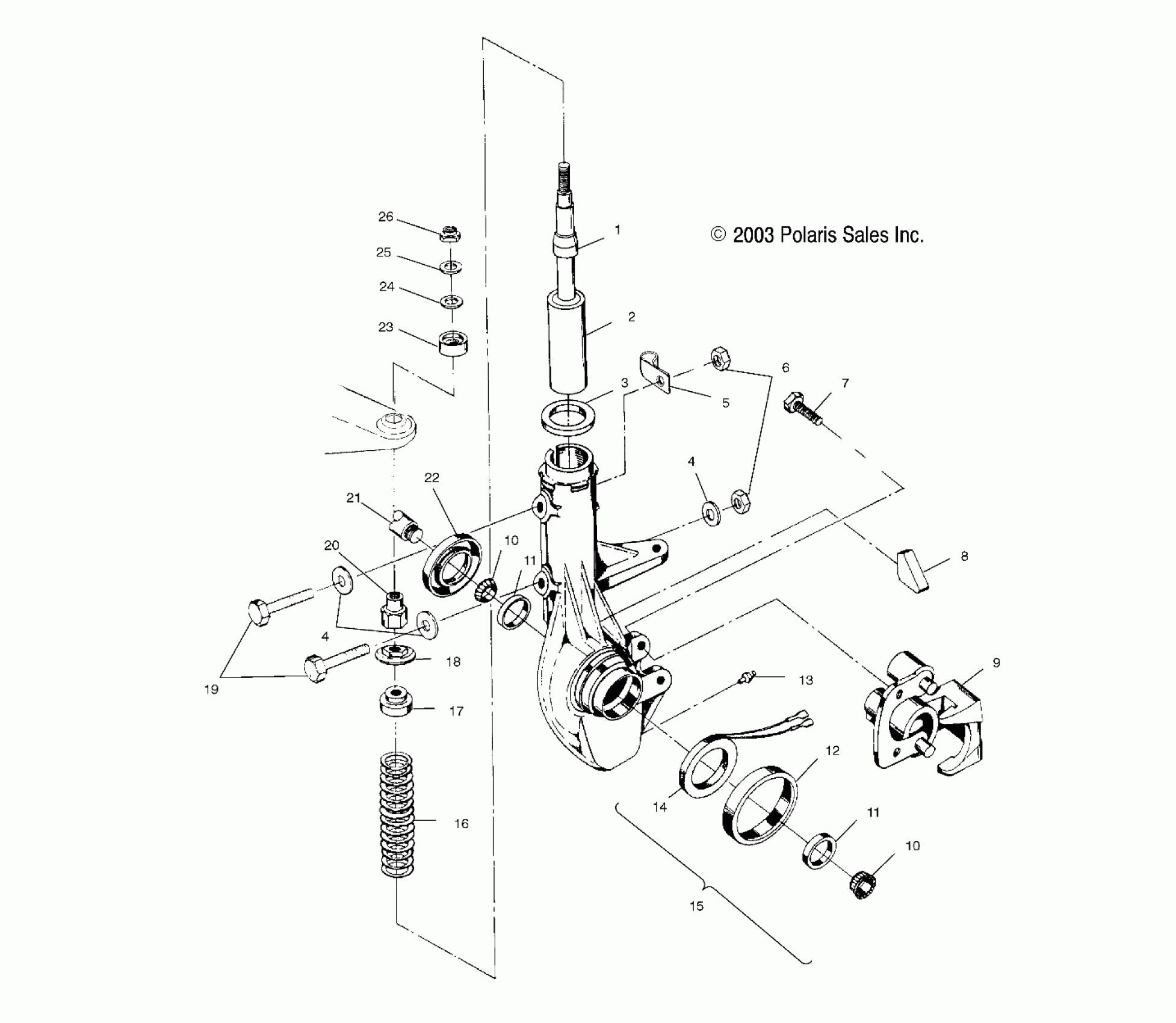
FRONT STRUT - A00CK42AA (4949304930B005)
Polaris XPEDITION 425 - A00CK42AA FRONT STRUT - A00CK42AA (4949304930B005) Diagram
#
Description
Price
1
BUMPER-MCU,17.80MM ID
5411608
Unavailable
7
SCREW
7517445
Unavailable
8
RETAINER,WIRE,STRUT CAST
5810439
Unavailable
9
Asm., Front Brake Caliper, RH (See Front Brake Pg. B7 for Details)
-------
Unavailable
15
HUBSTRUT,SVC,BRN/WHT,42,RH (32mm) (Incl. 8,11-14,22)
2201312
Unavailable
15
HUBSTRUT,SVC,BRN/WHT,42,LH (32mm) (Incl. 8,11-14,22)
2201311
Unavailable
21
Kit - Drive Shaft w/Sleeve BTB (See CV Joint Pg. B3, Ref. 13)
-------
Unavailable
