- Partiron
- OEM Parts
- Polaris
- ATV
- 2000
- XPEDITION 425 - A00CK42AA
COOLING SYSTEM - A00CK42AA (4949304930A011)
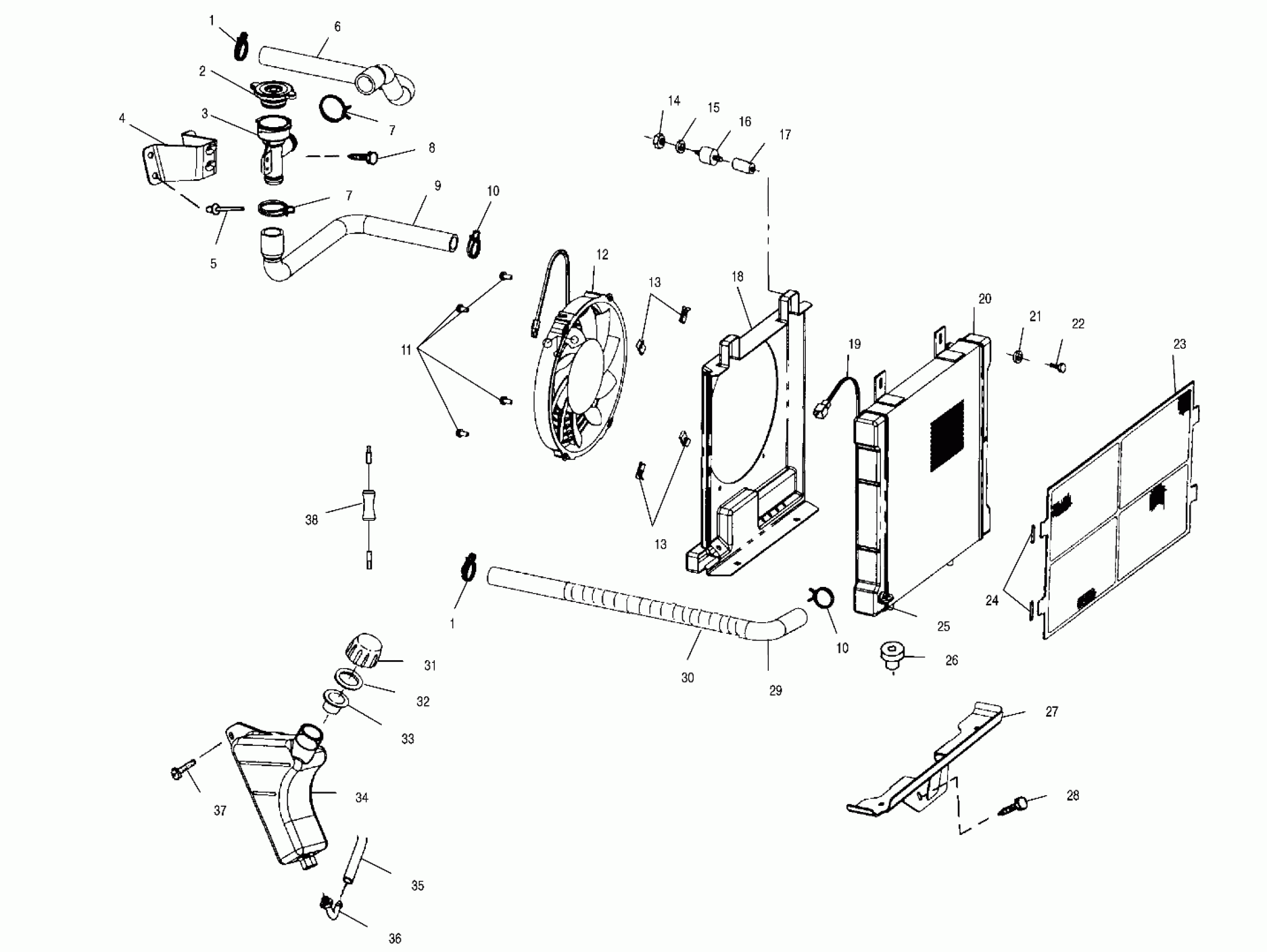
Polaris XPEDITION 425 - A00CK42AA COOLING SYSTEM - A00CK42AA (4949304930A011) Diagram
#
Description
Price
2
CAP-PRESSURE,13 PSI
1240044
Unavailable
4
BRKT,REMOTE COOLANT FILL
5243505-067
Unavailable
6
HOSE,UPPER ENGINE
5411534
Unavailable
7
CLAMP-ROTO SPRING 1"
7080827
Unavailable
7
CLAMP-ROTO SPRING 1"
7080827
Unavailable
9
HOSE,FILLER NECK
5411632
Unavailable
13
CLIP,U,ZY
7670111
Unavailable
13
CLIP,U,ZY
7670111
Unavailable
18
SHROUD-FAN,ATV
5433059
Unavailable
20
Radiator
1240045
Unavailable
25
O-RING,BUNA [No Longer Available]
5411633
Unavailable
25
VALVE-PLASTIC DRAIN
7052244
Unavailable
34
TANK,SURGE Substituted by 5433410
5433318
Unavailable
